Запчасти Case IH PUMA 170 (21.100.01[02]) - CLUTCH BOX ASSY - GUARDS (21) - TRANSMISSION

Схема запчастей Case IH PUMA 170 - (21.100.01[02]) - CLUTCH BOX ASSY - GUARDS (21) - TRANSMISSION
5
21.100.01 01
10
home
4
12
15
13
1
8
7
6
3
2
14
11
9
16
FIT
1:1
100%

Артикул

Название

Примечание

Количество

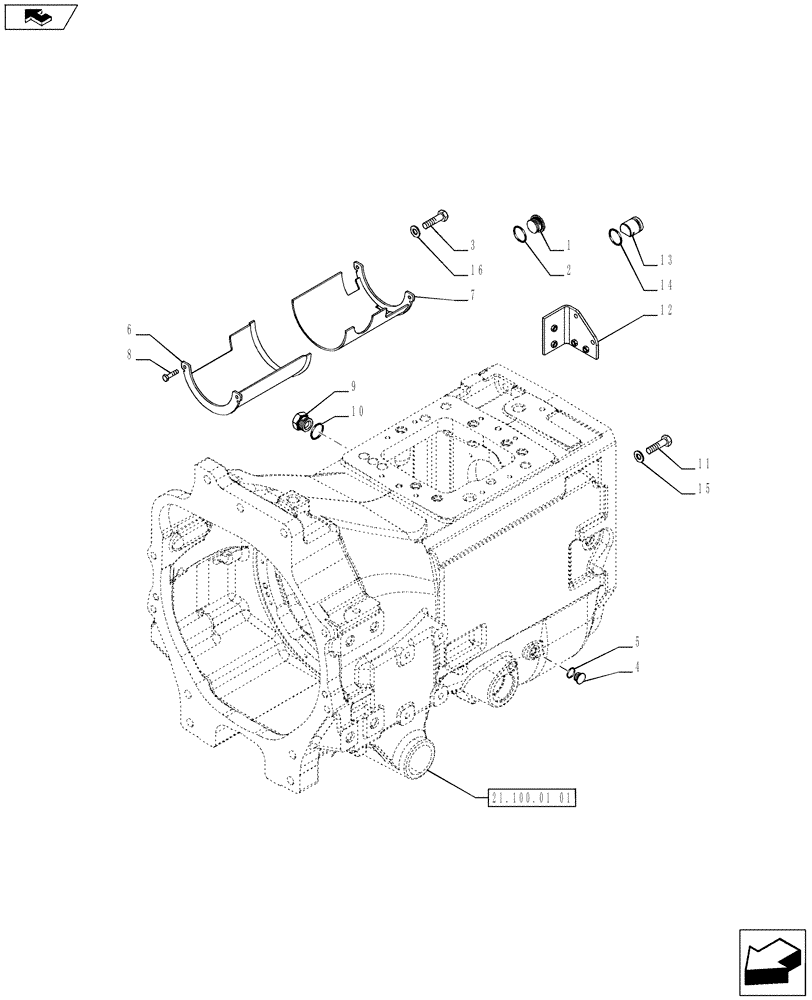
1

47137430

PLUG

1шт.

2

5174527

O-RING,0.139" Thk x 1.984" ID, -226, Cl 5, 75 Duro

1шт.

3

15540124

SCREW,Hex, M12 x 1.25 x 18mm, Cl 8.8, Full Thd

1шт.

4

10118711

PLUG,M14 x 1.5 x 12, Cl5.8

3шт.

5

14437785

O-RING,11.3mm ID x 2.4mm

3шт.

6

5199512

GUARD

1шт.

7

47134158

GUARD

1шт.

8

14306524

HEX SOC SCREW,M8 x 1.25 x 30mm, Cl 8.8, Full Thd

4шт.

9

10119311

PLUG,M16 x 1.5 x 12, Cl5.8

1шт.

10

14437885

O-RING,13.30mm ID x 2.40mm

1шт.

11

14305121

HEX SOC SCREW,M6 x 12mm, Cl 8.8

1шт.

12

87480771

SUPPORT

1шт.

13

87303551

PLUG

1шт.

14

14457080

O-RING,0.103" Thk x 0.487" ID, -112, Cl 5, 75 Duro

1шт.

15

14498801

WASHER,6.4mm ID x 16.3mm OD x 1mm Thk

1шт.

16

13578804

WASHER,12.2mm ID x 36mm OD x 2mm Thk

1шт.

Выбрано товаров: 16