Запчасти Case IH PUMA 170 (33.202.04[05]) - ABS SYSTEM - PNEUMATIC TRAILER BRAKE - REAR MASTER CYLINDERS AND CONVERTERS (VAR. 743922) (33) - BRAKES & CONTROLS

Схема запчастей Case IH PUMA 170 - (33.202.04[05]) - ABS SYSTEM - PNEUMATIC TRAILER BRAKE - REAR MASTER CYLINDERS AND CONVERTERS (VAR. 743922) (33) - BRAKES & CONTROLS
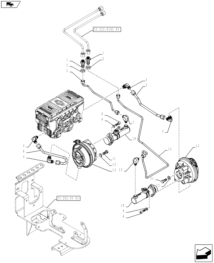
7
1
1
3
33.202.04 03
2
5
1
6
8
12
12
13
10
33.224.0102 03
1
1
15
2
9
14
8
1
home
13
4
4
4
10
9
4
FIT
1:1
100%

Артикул

Название

Примечание

Количество

1

86978770

UNION,11/16"-6, ORFS

2шт.

2

87010704

BHD LOCK NUT,11/16"-16

2шт.

3

84577490

TUBE

1шт.

4

84553346

HYD CONNECTOR,M16 x 1.5

4шт.

5

84413395

TUBE

1шт.

6

84413401

TUBE

1шт.

7

84427439

90 ELBOW

1шт.

8

300442

HEX SOC SCREW,M10 x 30mm, Cl 8.8

4шт.

9

12638621

WASHER,M10 x 18 x 2

4шт.

10

47403012

MASTER CYLINDER,48.3mm Stroke

2шт.

11

9706687

BOLT,M12 x 1.75 x 30mm, Cl 8.8

4шт.

12

140018

WASHER,13.5mm ID x 24mm OD x 2.5mm Thk

4шт.

13

84395433

CONVERTER

2шт.

14

84577489

TUBE

1шт.

15

84427439

90 ELBOW

1шт.

Выбрано товаров: 15