Запчасти Case IH PUMA 170 (33.202.04[07]) - ABS SYSTEM - PNEUMATIC TRAILER BRAKE - REAR BRAKE FLUID RESERVOIR (VAR.743922) (33) - BRAKES & CONTROLS

Схема запчастей Case IH PUMA 170 - (33.202.04[07]) - ABS SYSTEM - PNEUMATIC TRAILER BRAKE - REAR BRAKE FLUID RESERVOIR (VAR.743922) (33) - BRAKES & CONTROLS
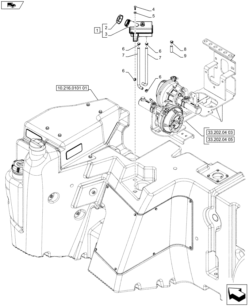
4
6
7
33.202.04 05
2
1
9
5
3
home
6
6
8
7
6
33.202.04 03
10.216.0101 01
FIT
1:1
100%

Артикул

Название

Примечание

Количество

1

47414595

BRAKE FLUID TANK

ASSY, Contains Ref. 2, 3

1шт.

2

84573122

PLUG

1шт.

3

NSS

NOT SOLD SEPARAT

1шт.

4

10902421

SCREW,Hex, M6 x 20mm, Cl 8.8

2шт.

5

12646601

WASHER,6.15mm ID x 15mm OD x 1.5mm Thk

2шт.

6

82011382

HOSE CLAMP,15mm - 17mm

4шт.

7

47415461

HOSE

2шт.

8

81864605

HOSE CLAMP,11.5mm - 14.75mm

2шт.

9

81871497

COVER

2шт.

Выбрано товаров: 9