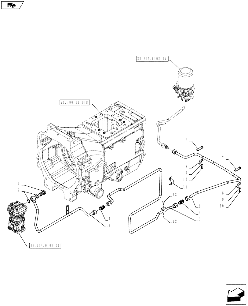
Запчасти Case IH PUMA 170 (33.224.0102[02]) - ABS SYSTEM - PNEUMATIC TRAILER BRAKE - AIR COMPRESSOR - PIPES (VAR. 743922) (33) - BRAKES & CONTROLS

Схема запчастей Case IH PUMA 170 - (33.224.0102[02]) - ABS SYSTEM - PNEUMATIC TRAILER BRAKE - AIR COMPRESSOR - PIPES (VAR. 743922) (33) - BRAKES & CONTROLS
33.224.0102 07
3
9
5
6
7
7
12
9
1
13
4
2
4
21.100.01 01b
8
10
33.224.0102 01
10
11
home
8
FIT
1:1
100%

Артикул

Название

Примечание

Количество

1

84385706

BANJO BOLT,M26 x 1.5 x 50mm

1шт.

2

87665420

SEAL,23.4mm ID x 36mm OD x 1.5mm Thk

2шт.

3

84606631

TUBE

From Compressor to APU

1шт.

4

144121

UNION,1-1/16" - 12 JIC x 1-1/16" - 12 JIC

2шт.

5

84579648

TUBE

1шт.

6

84584521

TUBE

1шт.

7

84317379

BRACKET

2шт.

8

84584517

2шт.

9

140016

WASHER,M8 x 16mm OD x 1.6mm Thk

2шт.

10

120104

BOLT,Hex, M8 x 1.25 x 20mm, Cl 8.8

2шт.

11

5193286

BRACKET

1шт.

12

87377305

SPACER,6.8mm ID x 10.3mm OD x 13mm L

1шт.

13

10902721

SCREW,Hex, M6 x 28mm, Cl 8.8, Full Thd

2шт.

Выбрано товаров: 0