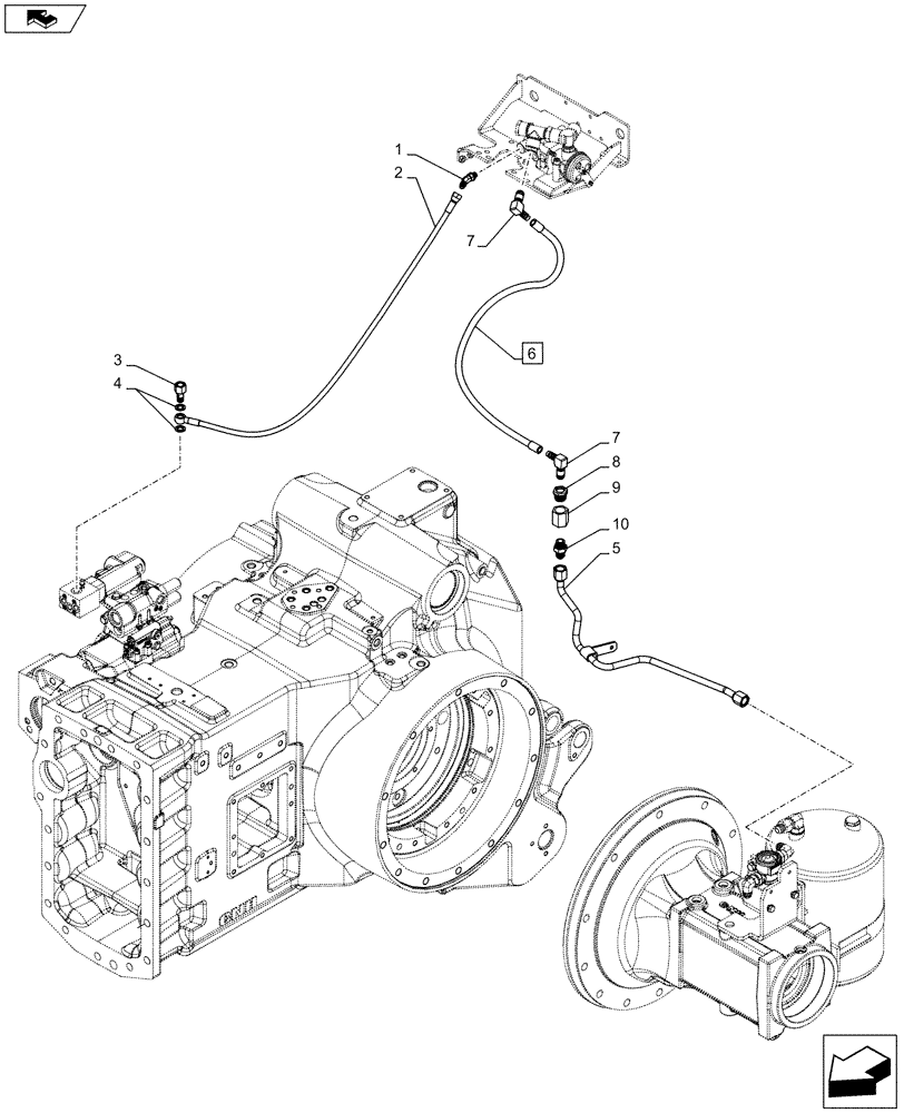
Запчасти Case IH PUMA 170 (33.224.0102[12]) - ABS SYSTEM - PNEUMATIC TRAILER BRAKE (UNIVERSAL AND UK) - CONTROL VALVE PIPES (VAR. 743965-743967) (33) - BRAKES & CONTROLS

Схема запчастей Case IH PUMA 170 - (33.224.0102[12]) - ABS SYSTEM - PNEUMATIC TRAILER BRAKE (UNIVERSAL AND UK) - CONTROL VALVE PIPES (VAR. 743965-743967) (33) - BRAKES & CONTROLS
home
8
2
9
10
3
5
1
7
4
6
7
FIT
1:1
100%

Артикул

Название

Примечание

Количество

1

87588084

HYD CONNECTOR,M10 x 1

1шт.

2

87690537

HOSE

1шт.

3

82018915

BANJO BOLT,M12 x 1 x 23mm

1шт.

4

5183780

SEALING WASHER,9.73mm ID x 18mm OD x 1.5mm Thk

2шт.

5

47389585

PIPE

1шт.

6

47390958

TUBE

ASSY, Contains Ref.7

1шт.

7

82038453

HYD CONNECTOR,232 NG12 x 16mm D

2шт.

8

82036156

FITTING,M22 x 1.5 x NG12

1шт.

9

84174059

HYD CONNECTOR

1шт.

10

84181658

HYD CONNECTOR

1шт.

Выбрано товаров: 10