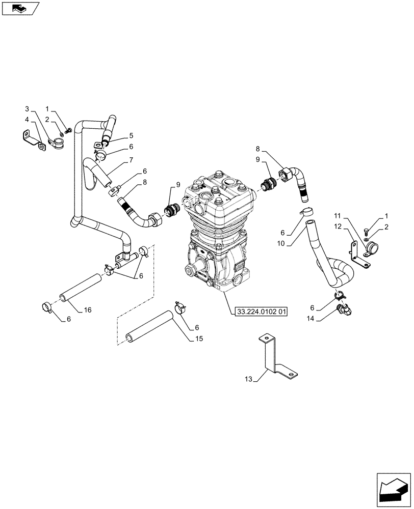
Запчасти Case IH PUMA 170 (33.224.0103) - ABS SYSTEM - PNEUMATIC TRAILER BRAKE - AIR COMPRESSOR PIPES (VAR. 743922) (33) - BRAKES & CONTROLS

Схема запчастей Case IH PUMA 170 - (33.224.0103) - ABS SYSTEM - PNEUMATIC TRAILER BRAKE - AIR COMPRESSOR PIPES (VAR. 743922) (33) - BRAKES & CONTROLS
1
5
6
16
6
6
1
1
9
6
10
2
33.224.0102 01
6
8
3
12
15
7
home
14
2
13
1
6
6
9
4
8
FIT
1:1
100%

Артикул

Название

Примечание

Количество

1

10902280

BOLT,Hex, M6 x 16mm

3шт.

2

11197774

BELLEVILLE WASHER,M6 Bolt Size x 12mm OD x 1.2mm Thk

3шт.

3

10450490

CLAMP,16mm, Coat, 9mm Bolt Hole, P Type

1шт.

4

84536387

BRACKET

1шт.

5

47398383

TUBE

1шт.

6

82019905

HOSE CLAMP,22 - 26mm X 12mm

8шт.

7

84536253

LARGE HOSE

Water pump - Engine

1шт.

8

47408235

FITTING,16mm ID

2шт.

9

9501819

HYD CONNECTOR,M26 x 1.5 x M22 x 1.5 ORB

2шт.

10

47388527

LARGE HOSE

Water pump - Engine

1шт.

11

10418001

RETAINER,24mm, Coat, P Type

1шт.

12

84536388

BRACKET, SUPPORTING

1шт.

13

47412660

BRACKET

1шт.

14

47367834

90 ELBOW,M16 x 1.5 x 39.5mm

1шт.

15

84536256

HOSE

Water pump - Engine

1шт.

16

47398389

HOSE,15.25mm ID x 205mm L

1шт.

Выбрано товаров: 16