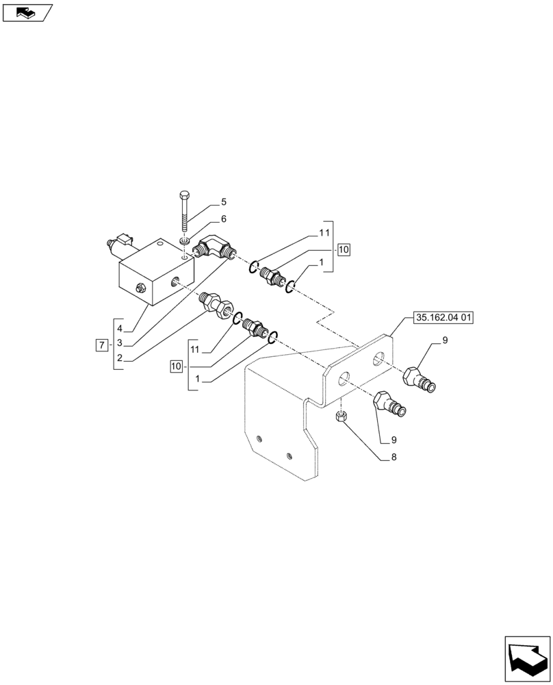
Запчасти Case IH PUMA 170 (35.162.0402) - FRONT HPL - SOLENOID VALVE (VAR.743481 / 743765; VAR.743482 / 743666) (35) - HYDRAULIC SYSTEMS

Схема запчастей Case IH PUMA 170 - (35.162.0402) - FRONT HPL - SOLENOID VALVE (VAR.743481 / 743765; VAR.743482 / 743666) (35) - HYDRAULIC SYSTEMS
10
4
10
3
1
1
7
8
1
1
5
home
2
35.162.04 01
6
1
9
9
1
FIT
1:1
100%

Артикул

Название

Примечание

Количество

1

5135738

O-RING,0.103" Thk x 0.674" ID, -115, 80 Duro

1шт.

2

87312047

HYD CONNECTOR

1шт.

3

87312050

HYD CONNECTOR

1шт.

4

5141295

SOLENOID VALVE

1шт.

5

10903721

BOLT,Hex, M6 x 55mm, Cl 8.8

2шт.

6

14496401

WASHER,M6.4 x 12.00mm x 1.60mm

2шт.

7

87329928

HYDRAULIC VALVE

Contains Ref. 2-4

1шт.

8

15896211

NUT,M6, Cl 8

2шт.

9

83972881

COUPLING

2шт.

10

5185524

HYD CONNECTOR

Contains Ref. 1,11

2шт.

11

5185512

O-RING,0.07" Thk x 0.614" ID, -16, Cl 6, 90 Duro

1шт.

Выбрано товаров: 11