Запчасти Case IH PUMA 170 (10.216.0101[01]) - ABS SYSTEM - FUEL TANKS AND PIPES (VAR.743922) (10) - ENGINE

Схема запчастей Case IH PUMA 170 - (10.216.0101[01]) - ABS SYSTEM - FUEL TANKS AND PIPES (VAR.743922) (10) - ENGINE
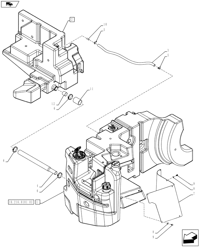
3
6
9
9
12
5
home
1
2
6
8
5
10
4
6
10.216.0101 03
8
7
11
FIT
1:1
100%

Артикул

Название

Примечание

Количество

1

47403113

FUEL TANK

ASSY

1шт.

2

84601120

FUEL TANK

ASSY, Contains Ref. 6, 10-12

1шт.

3

82012599

FUEL HOSE,15.9mm ID x 800mm L

1шт.

4

87312660

TUBE,38, 48 mm OD x 483, 100 mm L

1шт.

5

82039343

HOSE CLAMP,16mm - 27mm

2шт.

6

82036462

CLAMP,50mm - 70mm

3шт.

7

47373527

COVER

1шт.

8

12643701

WASHER,6.15mm ID x 18mm OD x 1.5mm Thk

8шт.

9

10902124

SCREW,Hex, M6 x 14mm, Cl 8.8

8шт.

10

82019711

1шт.

11

87387657

TUBE

1шт.

12

87587056

SLEEVE,38.5mm ID x 41.5mm OD x 40mm L

1шт.

Выбрано товаров: 12