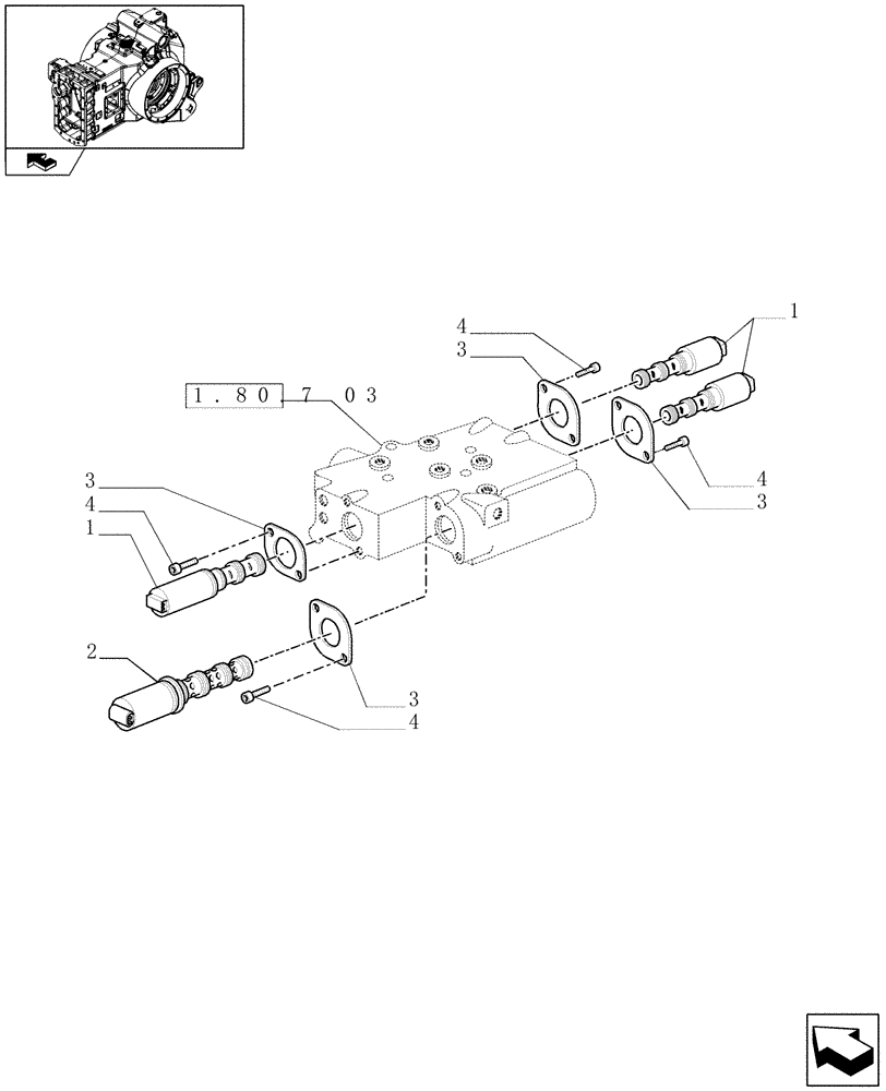
Запчасти Case IH PUMA 180 (1.75.0[07]) - SOLENOID VALVES FOR PTO CLUTCH CONTROL VALVE (06) - ELECTRICAL SYSTEMS

Схема запчастей Case IH PUMA 180 - (1.75.0[07]) - SOLENOID VALVES FOR PTO CLUTCH CONTROL VALVE (06) - ELECTRICAL SYSTEMS
4
4
2
home
1.80.7 03
4
3
1
3
1
4
3
3
FIT
1:1
100%

Артикул

Название

Примечание

Количество

1

87723774

SOLENOID VALVE

113.5MM

1шт.

Differential Lock, 4wd and PTO Brake

1шт.

2

87739558

SOLENOID VALVE,14W

131.7MM, Green Connectors

1шт.

PTO

1шт.

2

87739558R

REMAN-SOLENOID

Green Connectors. PTO

1шт.

2

87739558C

CORE-SOLENOID

Return Number

1шт.

3

5194826

BRACKET

4шт.

4

14305124

HEX SOC SCREW,M6 x 12mm, Cl 8.8, Full Thd

8шт.

Выбрано товаров: 8