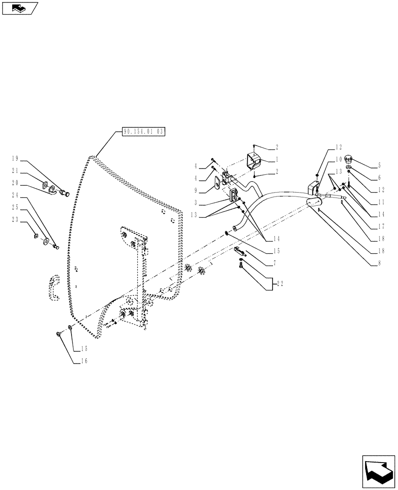
Запчасти Case IH PUMA 185 (90.154.01[02]) - LEFT HAND CAB DOOR (90) - PLATFORM, CAB, BODYWORK AND DECALS

Схема запчастей Case IH PUMA 185 - (90.154.01[02]) - LEFT HAND CAB DOOR (90) - PLATFORM, CAB, BODYWORK AND DECALS
11
9
13
16
18
90.154.01 03
home
4
15
17
10
12
12
20
3
1
2
21
14
22
19
14
24
15
8
5
6
13
7
4
25
23
18
2
FIT
1:1
100%

Артикул

Название

Примечание

Количество

1

82034201

COVER

1шт.

2

82029174

RUBBER BUTTON,6mm Hole

2шт.

3

84227452

LH DOOR LOCK

1шт.

4

14442431

SCREW,Flat Csk Hd, M8 x 1.25 x 40mm, Cl 10.9

2шт.

5

82031975

KNOB

1шт.

6

12605574

WASHER

1шт.

7

87566909

LEVER

1шт.

8

87303638

HANDLE

1шт.

9

82029165

GASKET,5.3-6.9mm Thk

1шт.

10

87356752

BALL STUD,M8 x 1.25 x 35mm

BALL PIN

1шт.

11

82000409

BALL STUD,M8 x 1.25

BALL PIN

1шт.

12

86629542

NUT,M8 x 1.25, Cl 8.8

2шт.

13

14496504

WASHER,8.4mm ID x 17mm OD x 1.6mm Thk

2шт.

14

43362

NUT,M8 x 1.25, Cl 10

4шт.

15

81868323

SEALING WASHER,8.1mm ID x 36mm OD x 5.3mm Thk

1шт.

16

84153260

CAP,M8 x 20, Black

1шт.

17

87374182

GAS STRUT

1шт.

18

81869714

CLIP,11mm ID

2шт.

19

84228271

STRIKER PLATE

1шт.

20

82029173

HOOK

1шт.

21

83994378

NUT,M12 x 1

1шт.

22

87616696

BOLT,32mm D

1шт.

23

87378449

THIN NUT,M12 x 1

2шт.

24

87365547

STRIKER PLATE

1шт.

25

14496701

WASHER,13.00mm ID x 24.00mm OD x 2.50mm, CST, ZND

3шт.

Выбрано товаров: 25