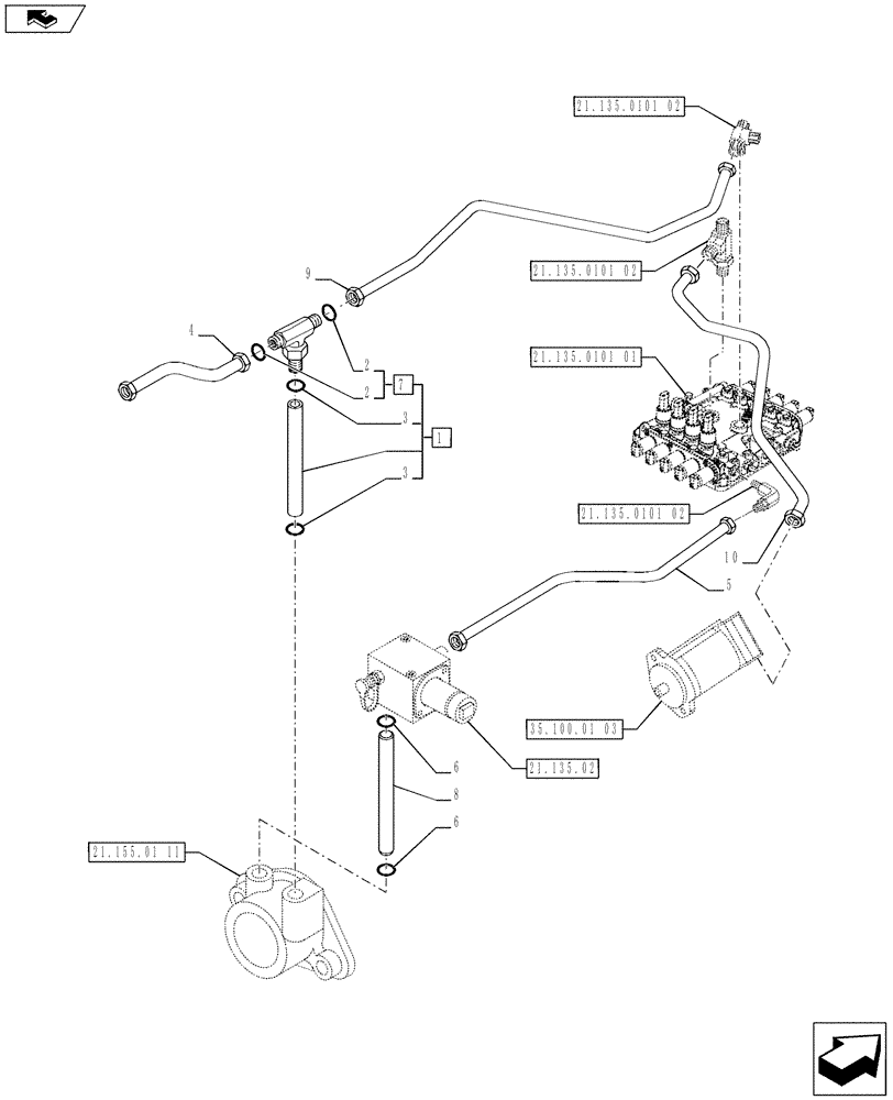
Запчасти Case IH PUMA 185 (21.109.03) - TRANSMISSION 19X6 FPS - GEAR CHANGE LUBRICATION PIPES (VAR.728147-729571) (21) - TRANSMISSION

Схема запчастей Case IH PUMA 185 - (21.109.03) - TRANSMISSION 19X6 FPS - GEAR CHANGE LUBRICATION PIPES (VAR.728147-729571) (21) - TRANSMISSION
3
10
8
21.135.0101 01
21.135.0101 02
21.135.0101 02
21.155.01 11
35.100.01 03
home
21.135.0101 02
21.135.02
4
9
5
1
2
2
3
7
6
6
FIT
1:1
100%

Артикул

Название

Примечание

Количество

1

5196968

HYD CONNECTOR

ASSY, Contains Ref. 3,7

1шт.

2

5185512

O-RING,0.07" Thk x 0.614" ID, -16, Cl 6, 90 Duro

2шт.

3

14437985

O-RING,15.3mm ID x 2.4mm

2шт.

4

47136960

HYD TUBE

PTO Lube

1шт.

5

47137133

HYD TUBE

Inlet Clutch

1шт.

6

14457080

O-RING,0.103" Thk x 0.487" ID, -112, Cl 5, 75 Duro

2шт.

7

5196967

HYD CONNECTOR

ASSY, Contains Ref. 2 (Q.ty 2),3

1шт.

8

5195964

HYD TUBE

1шт.

9

87316321

HYD TUBE

PTO Lube

1шт.

10

47137394

HYD TUBE

Excess Steering Pump

1шт.

Выбрано товаров: 10