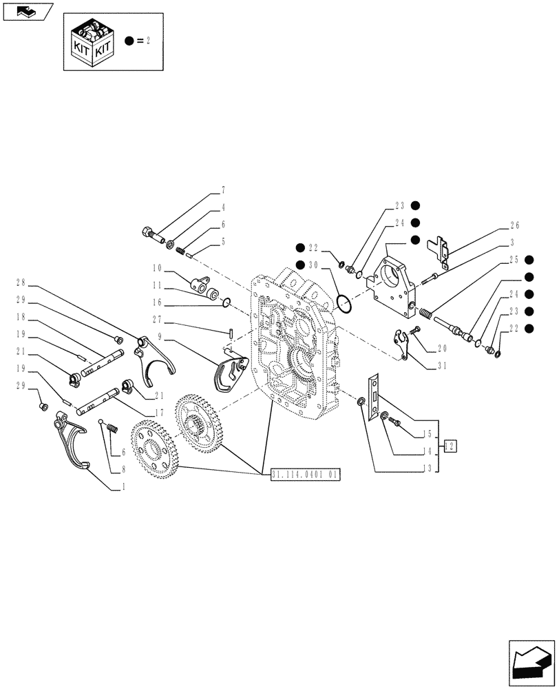
Запчасти Case IH PUMA 185 (31.114.04[04]) - 4 SPEED ELECTRICALLY SHIFTABLE PTO 540/540E/1000/1000E - SHAFT AND GEARS (VAR.743349-743374 / 743611) (31) - IMPLEMENT POWER TAKE OFF

Схема запчастей Case IH PUMA 185 - (31.114.04[04]) - 4 SPEED ELECTRICALLY SHIFTABLE PTO 540/540E/1000/1000E - SHAFT AND GEARS (VAR.743349-743374 / 743611) (31) - IMPLEMENT POWER TAKE OFF
31.114.04 01
24
9
2
26
24
2
2
22
11
21
7
2
8
14
2
21
29
6
10
23
19
25
19
15
28
30
18
23
12
13
2
2
6
27
3
4
20
29
31
16
2
2
2
2
5
1
22
2
17
home
FIT
1:1
100%

Артикул

Название

Примечание

Количество

1

84197203

FORK

1шт.

2

84296184

MANIFOLD

Contains Ref. 22-25,30

1шт.

3

14306821

HEX SOC SCREW,M8 x 45mm, Cl 8.8

2шт.

3

14306421

HEX SOC SCREW,M8 x 1.25 x 25mm, Cl 8.8

4шт.

4

10259960

SEAL,Rectangular, 18.30mm ID x 24.00mm OD x 1.50mm, Copper

1шт.

5

5159011

PIN,10mm OD x 20mm Thk

1шт.

6

4994342

SPRING,8mm OD x 30mm OAL

3шт.

7

5182673

CASE

1шт.

8

20063390

BALL,8.73mm OD

1шт.

9

84206588

SELECTOR

1шт.

10

84254450

CONTROL LEVER

1шт.

11

594832

RING,20.1mm ID x 24.75-24.8mm OD x 6mm Thk

1шт.

12

87356021

LEVEL GAUGE

Contains Ref. 13-15

1шт.

13

87349969

RUBBER SEAL

2шт.

14

47130060

O-RING

2шт.

15

47130059

SCREW,Pan HD, M12 x 41mm

2шт.

16

14457580

O-RING,0.103" Thk x 0.799" ID, -117, Cl 5, 75 Duro

1шт.

17

84253169

ROD,16mm OD x 179mm L

L=179MM

1шт.

18

84253170

ROD

L=154MM

1шт.

19

13910370

ROLL PIN,6mm OD x 30mm L

6 x 30MM

4шт.

20

15981124

BOLT,Hex, M16 x 1.5 x 60mm, Cl 8.8

2шт.

21

84202048

DRIVE DOG

2шт.

22

47127897

SNAP RING,M21.5, Ext

2шт.

23

47128597

PLUG,6mm ID x 19mm OD x 13mm L

2шт.

24

14453180

O-RING,12.42mm ID x 1.78mm

2шт.

25

84281722

SPRING,Compression, 15mm OD x 80mm L

1шт.

26

84209913

GUARD

1шт.

27

86548577

PIN,8mm OD x 40mm L, Slotted

1шт.

28

84197202

FORK

1шт.

29

87580517

BUSHING,10mm ID x 21mm OD x 9.6mm L

2шт.

30

14460880

O-RING,0.103" Thk x 2.862" ID, -150, Cl 5, 75 Duro

1шт.

31

87692482

BRACKET

1шт.

Выбрано товаров: 32