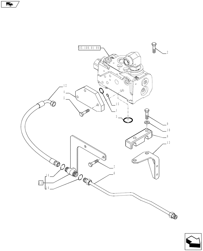
Запчасти Case IH PUMA 185 (35.100.02) - HYDRAULIC PUMP - PRIORITY VALVE (VAR.728212-720463) (35) - HYDRAULIC SYSTEMS

Схема запчастей Case IH PUMA 185 - (35.100.02) - HYDRAULIC PUMP - PRIORITY VALVE (VAR.728212-720463) (35) - HYDRAULIC SYSTEMS
8
15
10
9
home
35.100.01 04
4
11
3
12
7
1
14
6
2
5
14
13
FIT
1:1
100%

Артикул

Название

Примечание

Количество

1

86637770

O-RING,0.103" Thk x 0.674" ID, -115, Cl 7, 75 Duro

1шт.

2

14421431

HEX SOC SCREW,M10 x 1.5 x 100mm, Cl 10.9

1шт.

3

14457981

O-RING,1.049" ID x 0.103" Width

1шт.

4

87316882

COVER

1шт.

5

14306521

HEX SOC SCREW,M8 x 1.25 x 30mm, Cl 8.8

3шт.

6

87708352

PIPE

1шт.

7

16043221

BOLT,Hex, M8 x 16mm, Cl 8.8, Full Thd

2шт.

Except for VAR.728212-720463

1шт.

8

87309856

CLAMP BRACKET

1шт.

9

16050621

SCREW,Hex, M6 x 30mm, Cl 8.8, Full Thd

2шт.

10

14496401

WASHER,M6.4 x 12.00mm x 1.60mm

2шт.

11

82037429

BRACKET

Contains Ref. 14

1шт.

Except for VAR.728212-720463

1шт.

12

82038870

HOSE,9.53mm ID x 620mm L, SAE 100R16

Diff. Lock

1шт.

Except for VAR.728212-720463

1шт.

12

87316165

HOSE

1шт.

VAR.720463-728212, 4WD Axle with Active Suspension - Skyhook Class 4 Heavy Duty (Mechanical Remote Models Require Advanced Processor 743452)

1шт.

13

82037221

BRACKET

1шт.

14

81845038

O-RING,0.5" ID x 0.07" Thk

2шт.

15

14458081

O-RING,1.112" ID x 0.103" Width

1шт.

Выбрано товаров: 20