Запчасти Case IH PUMA 185 (35.120.01[01]) - TOOLING CONNECTION UNIT - SUPPORT (VAR.720881) (35) - HYDRAULIC SYSTEMS

Схема запчастей Case IH PUMA 185 - (35.120.01[01]) - TOOLING CONNECTION UNIT - SUPPORT (VAR.720881) (35) - HYDRAULIC SYSTEMS
5
3
4
6
35.130.01
21.118.01 01
home
2
1
FIT
1:1
100%

Артикул

Название

Примечание

Количество

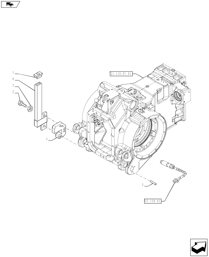
1

84152491

GROMMET,12.8mm ID x 23mm H x 35mm L x 25mm Thk

2шт.

2

47134668

HEX SOC SCREW,M10 x 1.25 x 35mm

4шт.

3

47130824

LOCK WASHER,Nordlock, 10.70mm ID x 21.00mm OD x 2.50mm

4шт.

4

5191331

PLATE

2шт.

5

14606470

LOCK PIN,Slotted Spring, M8 x 20.00mm

2шт.

6

47125909

SHIELD

RH, Incl.1

1шт.

6

47125908

SHIELD

LH, Incl. 1

1шт.

Выбрано товаров: 7