Запчасти Case IH PUMA 185 (35.162.02[02]) - FRONT HPL WITH PTO - PTO ASSY - BREAKDOWN (VAR.743482-743484-743486 / 743666) (35) - HYDRAULIC SYSTEMS

Схема запчастей Case IH PUMA 185 - (35.162.02[02]) - FRONT HPL WITH PTO - PTO ASSY - BREAKDOWN (VAR.743482-743484-743486 / 743666) (35) - HYDRAULIC SYSTEMS
home
25
8
5
19
4
17
35.162.02 03
3
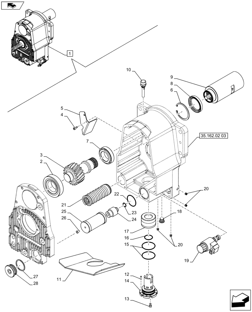
1
14
28
6
21
13
12
20
26
23
22
11
7
27
9
20
15
2
18
10
24
16
FIT
1:1
100%

Артикул

Название

Примечание

Количество

1

84481589

FRONT PTO ASSY

ASSY, Contains Ref. 2, 28

1шт.

2

84484461

ROLLER BEARING

1шт.

3

84484105

GEAR SHAFT

1шт.

4

14304021

HEX SOC SCREW,M5 x 10mm, Cl 8.8

2шт.

5

47413848

DEFLECTOR

1шт.

6

84484300

SNAP RING

1шт.

7

84484376

ROLLER BEARING

1шт.

8

84484339

SEALING RING

1шт.

9

84484333

PLUG

1шт.

10

84484285

BREATHER

1шт.

11

84484314

SPLASH SHIELD

1шт.

12

84484354

PIN

2шт.

13

14305131

HEX SOC SCREW,M6 x 12mm, Cl 10.9, Full Thd

6шт.

14

47413974

PUMP

1шт.

15

84483961

O-RING,2mm Thk x 51mm ID, 70 Duro

2шт.

16

84483952

O-RING,35mm ID x 37mm OD x 1mm Thk

1шт.

17

84483496

FILTER

1шт.

18

84484298

PLUG

1шт.

19

47413840

SOLENOID

1шт.

20

84483816

SCREW

4шт.

21

47413979

SPOOL

1шт.

22

84483959

O-RING,2mm Thk x 50mm ID, 70 Duro

1шт.

23

84483931

O-RING,1.5mm Thk x 12mm ID, 70 Duro

1шт.

24

84483778

PIN

1шт.

25

84484094

FILTER

1шт.

26

14441131

SCREW,Hex Soc Flat Hd, M6 x 10, 10.9

1шт.

27

84483930

O-RING

1шт.

28

84484893

PLUG

1шт.

Выбрано товаров: 28