Запчасти Case IH PUMA 185 (35.162.02[03]) - FRONT HPL WITH PTO - PTO CLUTCH - BREAKDOWN (VAR.743482-743484-743486 / 743666) (35) - HYDRAULIC SYSTEMS

Схема запчастей Case IH PUMA 185 - (35.162.02[03]) - FRONT HPL WITH PTO - PTO CLUTCH - BREAKDOWN (VAR.743482-743484-743486 / 743666) (35) - HYDRAULIC SYSTEMS
10
35.162.02 02
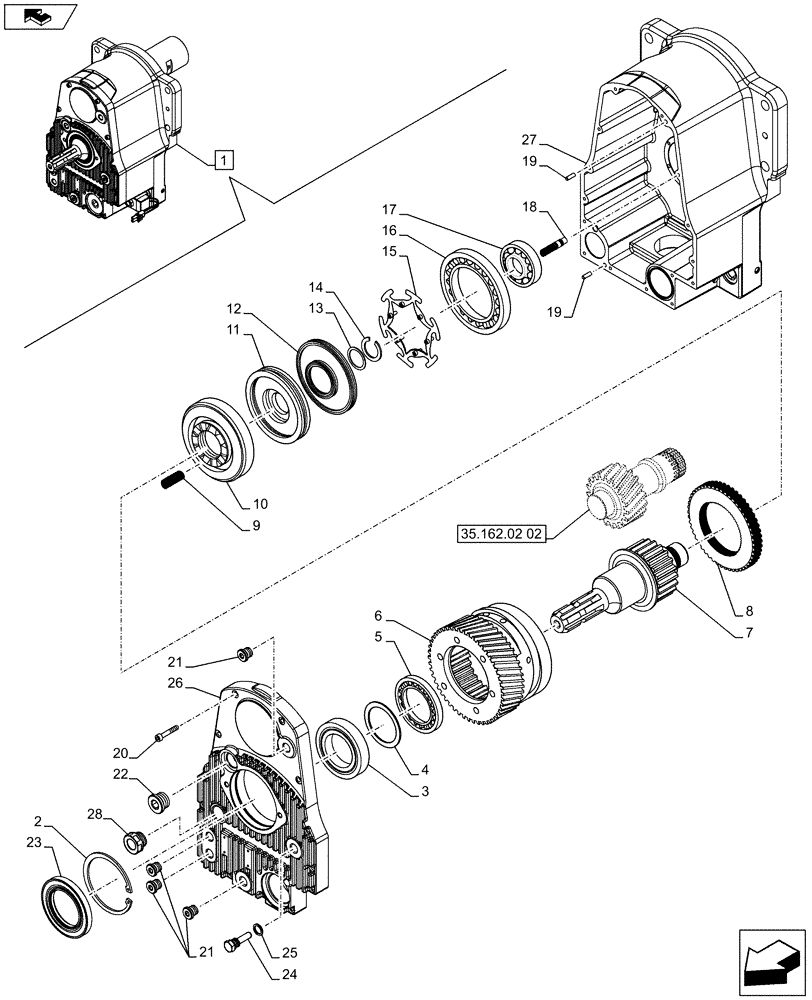
1
19
7
25
13
4
14
1
home
17
28
8
9
19
21
20
27
2
24
22
23
1
5
26
21
3
12
15
16
6
18
FIT
1:1
100%

Артикул

Название

Примечание

Количество

1

84481589

FRONT PTO ASSY

ASSY, Contains Ref. 2, 28

1шт.

2

84484309

SNAP RING

1шт.

3

84484455

ROLLER BEARING

1шт.

4

84483585

SHIM

1шт.

5

84484446

BALL BEARING

1шт.

6

84484342

GEAR

1шт.

7

47413876

PTO SHAFT

1шт.

8

47413897

CLUTCH PACK

1шт.

9

84483871

SPRING

10шт.

10

84484414

THRUST PLATE

1шт.

11

84484433

PISTON

1шт.

12

47413957

GASKET KIT

1шт.

13

84483934

O-RING,2mm Thk x 31mm ID, 70 Duro

1шт.

14

84484297

SNAP RING

1шт.

15

47413835

BRAKE

1шт.

16

84484449

BALL BEARING

1шт.

17

84484291

BALL BEARING

1шт.

18

47413832

ROTOR DISTRIBUTOR

1шт.

19

84484355

PIN

2шт.

20

120162

HEX SOC SCREW,M6 x 35mm, Cl 8.8

15шт.

21

84484873

PLUG

4шт.

22

84484887

PLUG

1шт.

23

84484289

SEALING RING,60mm ID x 95mm OD x 10mm Thk

1шт.

24

84484333

PLUG

1шт.

25

84484868

SEALING WASHER

1шт.

26

NSS

NOT SOLD SEPARAT

1шт.

27

NSS

NOT SOLD SEPARAT

1шт.

28

84562035

SIGHTGLASS

1шт.

Выбрано товаров: 28