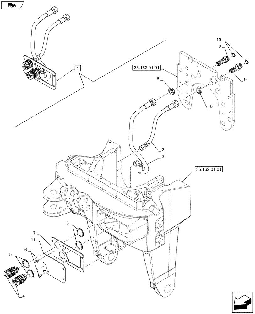
Запчасти Case IH PUMA 185 (35.162.03) - FRONT HPL WITH AUX. COUPLERS - BREAKDOWN (VAR.743485-743486 / 743837) (35) - HYDRAULIC SYSTEMS

Схема запчастей Case IH PUMA 185 - (35.162.03) - FRONT HPL WITH AUX. COUPLERS - BREAKDOWN (VAR.743485-743486 / 743837) (35) - HYDRAULIC SYSTEMS
35.162.01 01
7
9
home
8
1
10
9
2
6
4
5
1
8
35.162.01 01
3
5
1
FIT
1:1
100%

Артикул

Название

Примечание

Количество

1

84408468

PUSH-PULL COUPLING

ASSY, Contains Ref. 2, 7

1шт.

2

84481756

HOSE,10mm ID x 468mm L, SAE 100R16

1шт.

3

84481729

HOSE,10mm ID x 468mm L, SAE 100R16

1шт.

4

87691051

COUPLING, QUICK, FEM

2шт.

5

11068674

CIRCLIP,M38

4шт.

6

86977726

BOLT,Hex, M6 x 12mm, Cl 8.8

2шт.

7

84481686

MOUNTING PLATE

1шт.

8

84486614

NUT

2шт.

9

84481139

FITTING

2шт.

10

9992069

O-RING,0.07" Thk x 0.614" ID, -16, Cl 6, 90 Duro

2шт.

11

84402019

PLATE

1шт.

Выбрано товаров: 0