Запчасти Case IH PUMA 185 (35.204.01[01]) - 3 REMOTE CONTROL VALVES, ELECTRONIC (35) - HYDRAULIC SYSTEMS

Схема запчастей Case IH PUMA 185 - (35.204.01[01]) - 3 REMOTE CONTROL VALVES, ELECTRONIC (35) - HYDRAULIC SYSTEMS
21.118.01 01
2
9
5
3
4
4
10
8
1
3
11
6
12
home
7
8
35.204.01 02
FIT
1:1
100%

Артикул

Название

Примечание

Количество

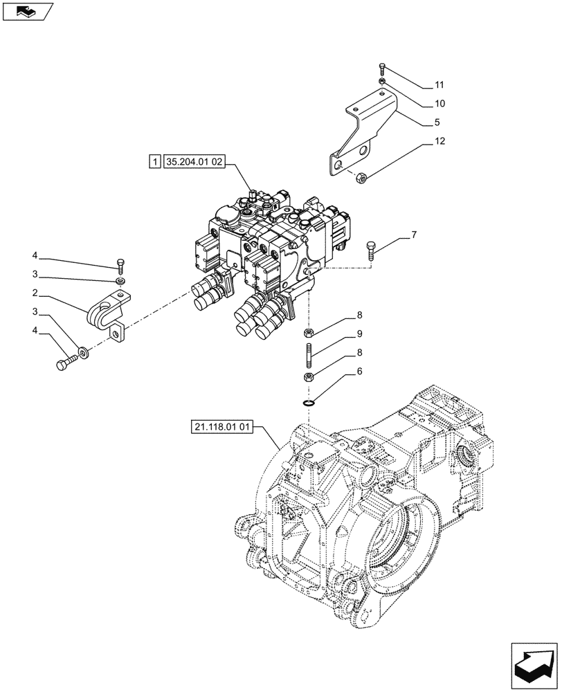
1

87582245

CONTROL VALVE

ASSY, Serial Range: -C7417

1шт.

1

47592929

CONTROL VALVE

ASSY, Serial Range: D7417-C7418

1шт.

1

47594440

CONTROL VALVE

ASSY, Start Serial: D7418

1шт.

2

87352315

BRACKET

1шт.

3

14496701

WASHER,13.00mm ID x 24.00mm OD x 2.50mm, CST, ZND

2шт.

4

9706687

BOLT,M12 x 1.75 x 30mm, Cl 8.8

2шт.

5

87673953

SUPPORT

1шт.

6

14463780

O-RING,0.139" Thk x 1.296" ID, -219, Cl 5, 75 Duro

1шт.

7

15970921

SCREW,Hex, M10 x 1.25 x 35mm, Cl 8.8, Full Thd

2шт.

8

12164711

NUT,M10 x 1.25, Cl 8

2шт.

9

13449721

STUD,M10 x 1.25 x 30mm L, Cl 8.8

M10 x 1.25 x 30mm

2шт.

10

14496501

WASHER,8.4mm ID x 17mm OD x 1.6mm Thk

2шт.

11

16043221

BOLT,Hex, M8 x 16mm, Cl 8.8, Full Thd

4шт.

12

11702911

NUT,M12, Cl 8, ZND

2шт.

Выбрано товаров: 14