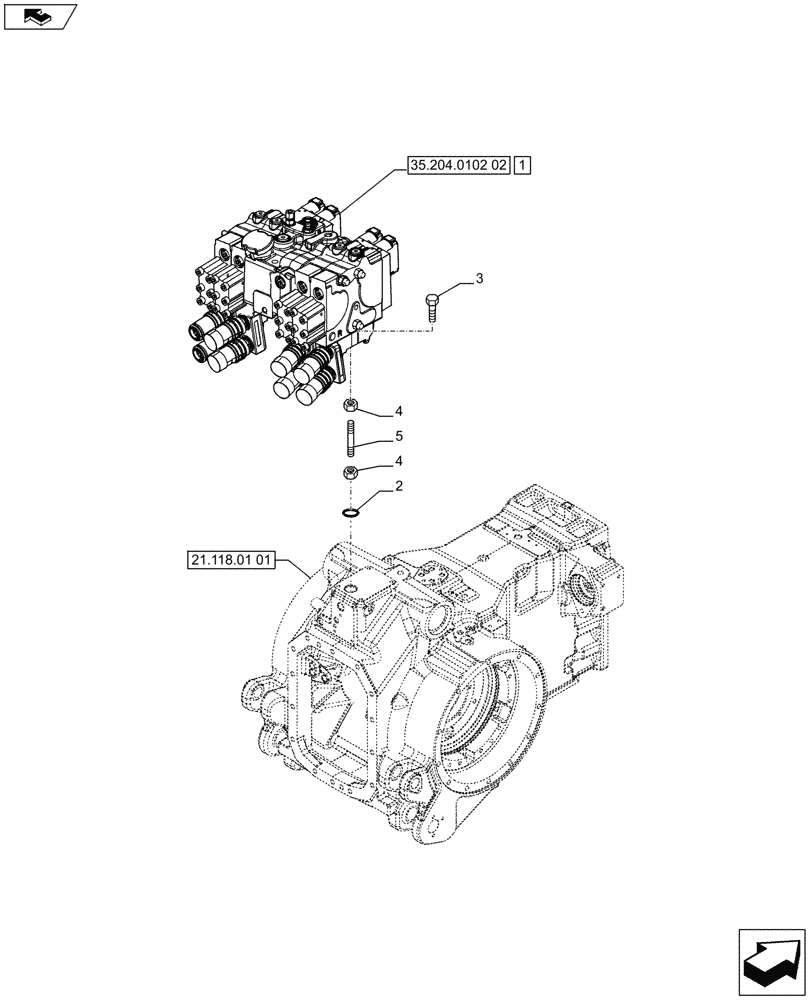
Запчасти Case IH PUMA 185 (35.204.0102[01]) - 4 REMOTE CONTROL VALVES, ELECTRONIC (VAR.729718-743824 / 743668) (35) - HYDRAULIC SYSTEMS

Схема запчастей Case IH PUMA 185 - (35.204.0102[01]) - 4 REMOTE CONTROL VALVES, ELECTRONIC (VAR.729718-743824 / 743668) (35) - HYDRAULIC SYSTEMS
21.118.01 01
home
4
2
3
4
5
1
35.204.0102 02
FIT
1:1
100%

Артикул

Название

Примечание

Количество

1

87582246

CONTROL VALVE

ASSY, Serial Range: -C7417

1шт.

1

47592930

CONTROL VALVE

ASSY, Serial Range: D7417-C7418

1шт.

1

47594444

CONTROL VALVE

ASSY, Start Serial: D7418

1шт.

2

14463780

O-RING,0.139" Thk x 1.296" ID, -219, Cl 5, 75 Duro

1шт.

3

15970921

SCREW,Hex, M10 x 1.25 x 35mm, Cl 8.8, Full Thd

2шт.

4

12164711

NUT,M10 x 1.25, Cl 8

2шт.

5

13449721

STUD,M10 x 1.25 x 30mm L, Cl 8.8

M10 x 1.25 x 30mm

2шт.

Выбрано товаров: 7