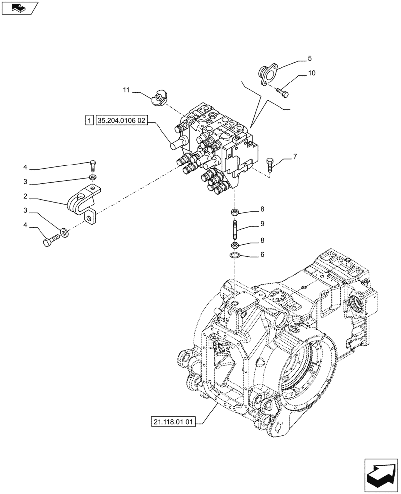
Запчасти Case IH PUMA 185 (35.204.0106[01]) - 3 REMOTE CONTROL VALVES, MECHANICAL (35) - HYDRAULIC SYSTEMS

Схема запчастей Case IH PUMA 185 - (35.204.0106[01]) - 3 REMOTE CONTROL VALVES, MECHANICAL (35) - HYDRAULIC SYSTEMS
21.118.01 01
8
5
1
7
8
2
4
9
11
home
4
3
3
6
10
35.204.0106 02
FIT
1:1
100%

Артикул

Название

Примечание

Количество

1

87311372

CONTROL VALVE

ASSY, without Power Beyond

1шт.

2

5189351

BRACKET

1шт.

3

14496701

WASHER,13.00mm ID x 24.00mm OD x 2.50mm, CST, ZND

2шт.

4

15540324

SCREW,Hex, M12 x 1.25 x 25mm, Cl 8.8, Full Thd

2шт.

5

5189606

SUPPORT

3шт.

6

14463780

O-RING,0.139" Thk x 1.296" ID, -219, Cl 5, 75 Duro

1шт.

7

15970921

SCREW,Hex, M10 x 1.25 x 35mm, Cl 8.8, Full Thd

2шт.

8

12164711

NUT,M10 x 1.25, Cl 8

2шт.

9

13449721

STUD,M10 x 1.25 x 30mm L, Cl 8.8

M10 x 1.25 x 30mm

2шт.

10

14305224

HEX SOC SCREW,M6 x 16mm, Cl 8.8, Full Thd

6шт.

11

82005372

FILLER CAP,Male, Vented_No Lockable

1шт.

Выбрано товаров: 11