Запчасти Case IH PUMA 185 (88.033.10[07]) - DIA KIT - PNEUMATIC TRAILER BRAKE (UK) - CONTROL VALVE AND RELEVANT PARTS (88) - ACCESSORIES

Схема запчастей Case IH PUMA 185 - (88.033.10[07]) - DIA KIT - PNEUMATIC TRAILER BRAKE (UK) - CONTROL VALVE AND RELEVANT PARTS (88) - ACCESSORIES
9
16
7
2
8
1
6
5
7
14
12
11
12
15
4
6
8
3
13
10
11
18
88.033.10 08
15
home
88.033.10 08
7
17
FIT
1:1
100%

Артикул

Название

Примечание

Количество

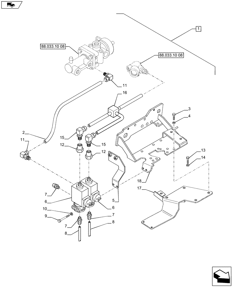
1

710178204

DIA KIT, TRACTOR

Pneumatic Trailer Brake (UK), Contains Ref. 2-18

1шт.

Refer to Installation Instructions for Correct Assembly Procedure

1шт.

2

87580708

TUBE,4 mm ID x 6 mm OD x 253 mm L

6 x 1 x 333

1шт.

3

16043621

BOLT,Hex, M8 x 1.25 x 25mm, Cl 8.8, Full Thd

4шт.

4

10571779

LOCK WASHER,Helical Spring, 8.10mm ID x 14.80mm OD x 2.00mm, ZNM

4шт.

4

12646701

WASHER,8.15mm ID x 20mm OD x 2mm Thk

8.15 x 20 x 2

4шт.

5

84143167

SUPPORT

1шт.

6

82006252

CONTROL VALVE

2шт.

7

82006828

ADAPTER

3шт.

8

82019793

HOSE,6.00mm OD x 70.00mm

6 x 1 x 70

2шт.

9

14302124

HEX SOC SCREW,M8 x 1.25 x 100mm, Cl 8.8

2шт.

10

10516679

LOCK WASHER,Helical Spring, 8.20mm ID x 14.80mm OD x 2.20mm, C72, ZNM

M8

6шт.

11

87678126

ELBOW,Hex, M12 x 1.4 x 28mm

2шт.

12

87678127

HYD CONNECTOR,M10 x 1, M12 x 1.5

2шт.

13

120100

BOLT,M6 x 20mm, Cl 8.8

2шт.

14

14496401

WASHER,M6.4 x 12.00mm x 1.60mm

2шт.

15

87678122

HYD CONNECTOR,M10 x 1

2шт.

16

87497317

FLEXIBLE HOSE

1шт.

17

87385181

SUPPORT

ASSY

1шт.

18

84157684

SUPPORT

1шт.

Выбрано товаров: 20