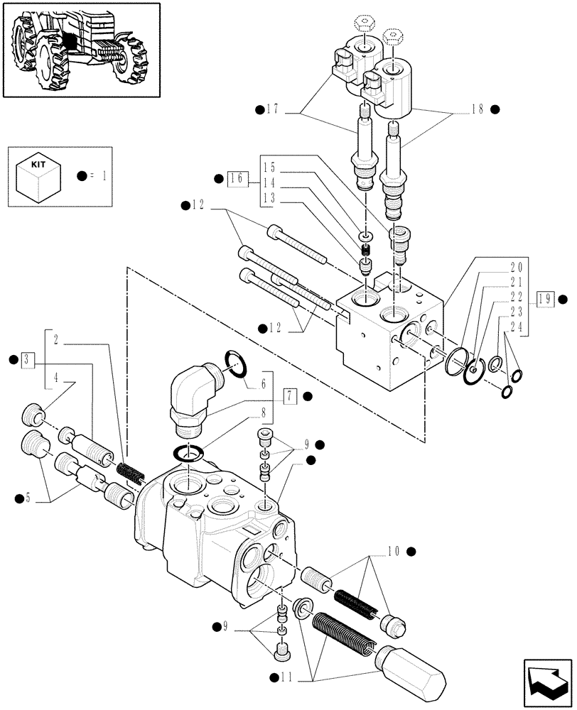
Запчасти Case IH PUMA 195 (1.32.6/01A) - PRIORITY VALVE - BREAKDOWN (03) - TRANSMISSION

Схема запчастей Case IH PUMA 195 - (1.32.6/01A) - PRIORITY VALVE - BREAKDOWN (03) - TRANSMISSION
1
14
1
1
22
1
1
12
3
1
1
1
7
21
18
20
1
1
1
17
9
8
6
24
9
16
1
15
1
4
1
2
5
13
19
12
10
1
23
11
FIT
1:1
100%

Артикул

Название

Примечание

Количество

1

87593447

VALVE SECTION

Priority Valve ASSY

1шт.

2

NSS

NOT SOLD SEPARAT

1шт.

3

87639753

KIT

ASSY

1шт.

4

NSS

NOT SOLD SEPARAT

1шт.

5

87639735

KIT

1шт.

6

5185513

O-RING,1.78mm Thk x 18.77mm ID, 85 Duro

1шт.

7

5197118

ELBOW,90 Deg, 1"3/16-12 ORFS x M27 x 2 ORB

1шт.

8

14438185

O-RING,24mm ID x 3mm

1шт.

9

87639734

KIT

2шт.

10

87639720

KIT

1шт.

11

87639721

KIT

1шт.

12

14309070

SCREW,M8 x 70mm

M8x70

4шт.

13

NSS

NOT SOLD SEPARAT

1шт.

14

NSS

NOT SOLD SEPARAT

1шт.

15

NSS

NOT SOLD SEPARAT

1шт.

16

87639738

KIT

1шт.

17

87588852

SOLENOID VALVE

1шт.

87588852R

REMAN-HYD VALVE

PUMA 165, PUMA 180, PUMA 195, PUMA 210 all (1/07-)

1шт.

87588852C

CORE-VALVE HYD

Return Number

1шт.

18

87588851

SOLENOID

1шт.

19

87639737

KIT

1шт.

20

87616276

SEALING RING

31x2.20

1шт.

21

14457980

O-RING,0.103" Thk x 1.049" ID, -121, Cl 5, 75 Duro

2.62x26.64

1шт.

22

87545843

SCREW,M6 x 1.25 x 1.25mm

1шт.

23

87616275

SEALING RING

15x2.20

1шт.

24

577567

O-RING,9.92mm ID x 15.16mm OD x 2.62mm

2.62x9.92

2шт.

Выбрано товаров: 26