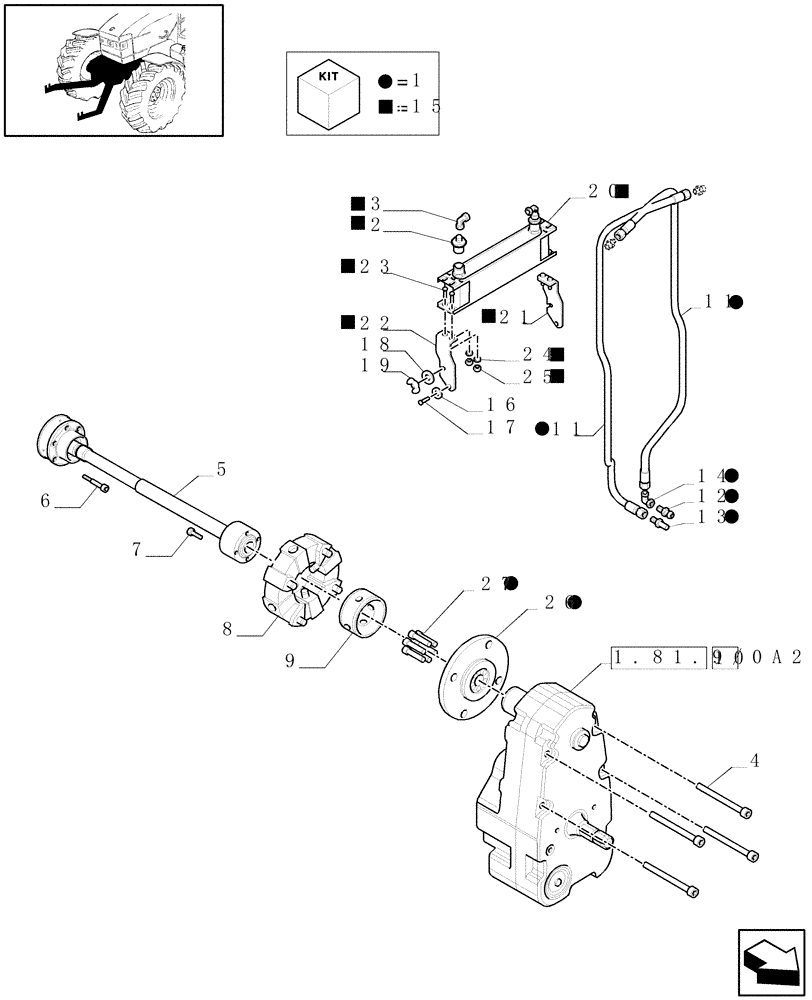
Запчасти Case IH PUMA 195 (1.81.9/02[07]) - (VAR.089) FRONT HPL FOR ELECTRONIC REMOTES WITH PTO, LESS AUX. COUPLERS - GEARBOX (07) - HYDRAULIC SYSTEM

Схема запчастей Case IH PUMA 195 - (1.81.9/02[07]) - (VAR.089) FRONT HPL FOR ELECTRONIC REMOTES WITH PTO, LESS AUX. COUPLERS - GEARBOX (07) - HYDRAULIC SYSTEM
15
15
17
1
7
1
15
15
11
1
21
15
25
9
8
1
3
23
1
11
15
6
22
26
15
5
1.81.9/0a2
24
4
1
13
15
12
16
15
27
19
1
1
2
1
15
14
10
18
20
FIT
1:1
100%

Артикул

Название

Примечание

Количество

1

87665838

GEARBOX

1шт.

2

87736520

HYD CONNECTOR

2шт.

3

87736519

HYD CONNECTOR

2шт.

4

87664189

HEX SOC SCREW,M14 x 140mm, Cl 8.8

M14 x 140

4шт.

5

87589274

PTO SHAFT

1шт.

6

87515210

HEX SOC SCREW,M12 x 70mm, Cl 12.9

M12 x 70

6шт.

7

87515209

HEX SOC SCREW,M10 x 75mm, Cl 12.9

M10 x 75

4шт.

8

87665870

COUPLING

1шт.

9

87665840

HUB

1шт.

10

87737367

GEARBOX

1шт.

11

87736951

HOSE

2шт.

12

87737381

HYD CONNECTOR

1шт.

13

87737377

HYD CONNECTOR

1шт.

14

87736519

HYD CONNECTOR

1шт.

15

87666197

OIL COOLER

1шт.

16

10523401

WASHER,6.15mm ID x 18mm OD x 2mm Thk

2шт.

17

10902021

BOLT,Hex, M6 x 12mm, Cl 8.8

2шт.

18

86624176

WASHER,11mm ID x 20mm OD x 2mm Thk

2шт.

19

87662219

WING NUT

2шт.

20

87736514

OIL COOLER

1шт.

21

87736516

SUPPORT

LH

1шт.

22

87736517

SUPPORT

RH

1шт.

23

120100

BOLT,M6 x 20mm, Cl 8.8

4шт.

24

86588450

WASHER,6.6mm ID x 12mm OD x 1.6mm Thk

8шт.

25

9706755

NUT,M6, Cl 8

4шт.

26

87662107

FLANGE

1шт.

27

14422374

HEX SOC SCREW,M12 x 1.75 x 45mm, Cl 12.9, Full Thd

6шт.

Выбрано товаров: 27