Запчасти Case IH PUMA 195 (1.82.1[03]) - LIFTER, LINES (07) - HYDRAULIC SYSTEM

Схема запчастей Case IH PUMA 195 - (1.82.1[03]) - LIFTER, LINES (07) - HYDRAULIC SYSTEM
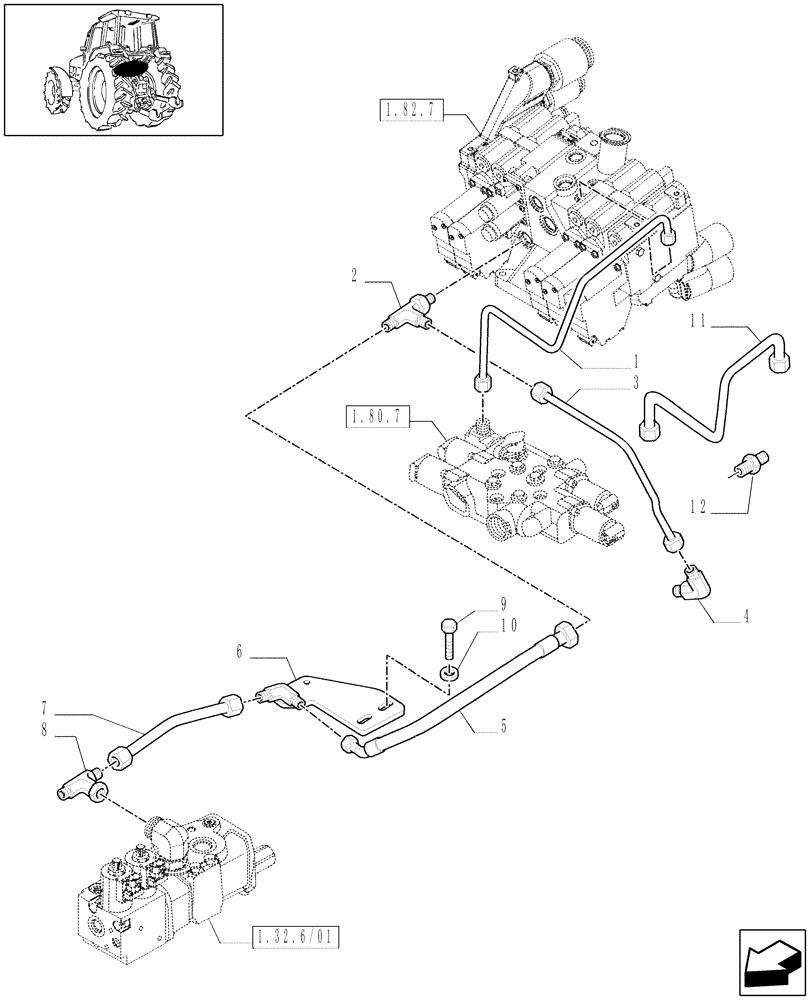
6
3
11
8
9
7
1.32.6/01
10
1.80.7
1
4
12
2
1.82.7
5
FIT
1:1
100%

Артикул

Название

Примечание

Количество

1

87316339

TUBE

Low Pressure EHS Remotes

1шт.

2

5197273

HYD CONNECTOR,1' 3/16-12 x 83.6mm

1шт.

3

87316343

PIPE

1шт.

4

5185052

90 ELBOW,13/16"-16 x M18 x 1.5

1шт.

5

87316346

HYDRAULIC HOSE,19mm ID x 693mm L

1шт.

6

87318333

BRACKET

1шт.

7

87316329

HYD TUBE

1шт.

8

87328818

TEE

1шт.

9

15970521

BOLT,Hex, M10 x 1.25 x 20mm, Cl 8.8, Full Thd

2шт.

10

12642405

WASHER,M10 x 20 x 1

2шт.

11

87702887

HYD TUBE,10 mm OD x 317.8, 249.9 mm L

1шт.

Valid for Var.252, 683, 718, 846

1шт.

12

47134287

HYD CONNECTOR

1шт.

Valid for Var.252, 683, 718, 846

1шт.

Выбрано товаров: 14