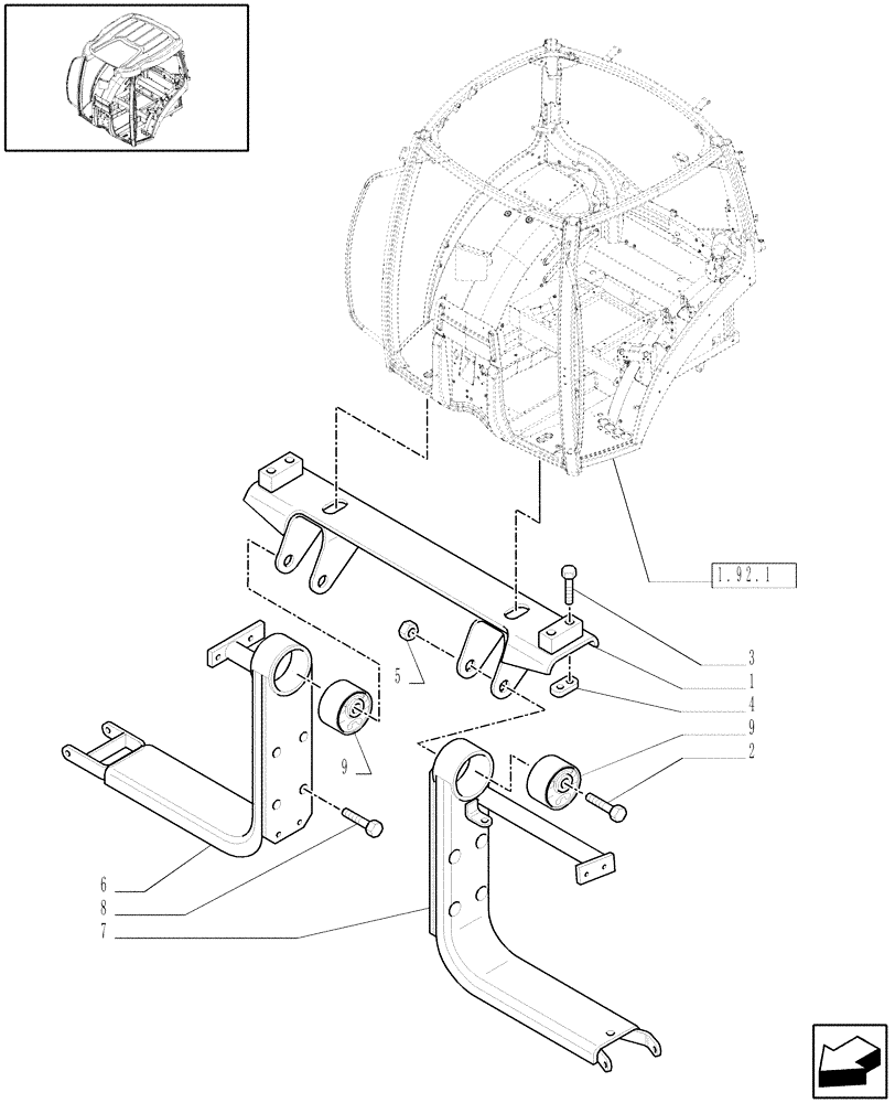
Запчасти Case IH PUMA 195 (1.92.6/01[01]) - (VAR.635) CAB W/SUSPENSION - CAB SUPPORTS (10) - OPERATORS PLATFORM/CAB

Схема запчастей Case IH PUMA 195 - (1.92.6/01[01]) - (VAR.635) CAB W/SUSPENSION - CAB SUPPORTS (10) - OPERATORS PLATFORM/CAB
9
1.92.1
1
6
4
8
3
5
7
2
9
FIT
1:1
100%

Артикул

Название

Примечание

Количество

1

87553298

SUPPORT

1шт.

2

11126521

BOLT,Hex, M20 x 140, 8.8

2шт.

3

87335549

BOLT,Hex, M20 x 150mm, Cl 8.8

4шт.

4

87597203

SPECIAL NUT

2шт.

5

82035568

SPECIAL NUT

4шт.

6

87527278

SUPPORT

RH, Incl. 9

1шт.

7

87527276

SUPPORT

LH, Incl. 9

1шт.

8

11408324

BOLT,Hex, M14 x 1.5 x 35, 8.8, Full Thd

8шт.

9

87396965

INSULATOR,100mm OD x 85.3mm L

2шт.

Выбрано товаров: 9