Запчасти Case IH PUMA 195 (1.80.7/03[01]) - (VAR.349-374) 4 SPEED SHIFTABLE PTO ELECTRIC CONTROL 540/540E/1000/1000E - PTO, CLUTCH - D6479 (07) - HYDRAULIC SYSTEM

Схема запчастей Case IH PUMA 195 - (1.80.7/03[01]) - (VAR.349-374) 4 SPEED SHIFTABLE PTO ELECTRIC CONTROL 540/540E/1000/1000E - PTO, CLUTCH - D6479 (07) - HYDRAULIC SYSTEM
21
13
1
9
26
1.80.1/05 01
17
10
24
6
1
12
25
7
21
3
14
21
4
18
20
1
home
21
22
5
24
1
11
23
15
1
1
1
16
8
19
2
FIT
1:1
100%

Артикул

Название

Примечание

Количество

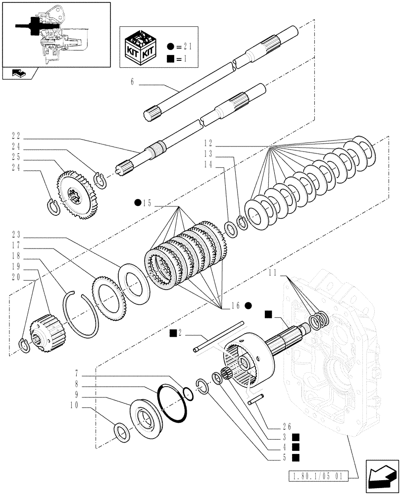
1

84240107

CONTROL SHAFT

Incl. 2-6

1шт.

2

84207458

TUBE,10 mm ID x 13 - 16 mm OD x 204 mm L

1шт.

3

5138952

NEEDLE BEARING,Needle, 25mm ID x 32mm OD x 26mm W

1шт.

4

5182702

GASKET,25mm ID x 33mm OD x 4mm Thk

1шт.

5

5182717

SNAP RING,1.5mm Thk

1шт.

6

84216763

CONTROL SHAFT

1шт.

4 Speed PTO Compatible with 19 Speed Transmission, VAR.374

1шт.

7

5162252

GASKET,68mm ID x 75.5mm OD x 3.2mm Thk

1шт.

8

5182703

GASKET,119.55mm ID x 127mm OD x 3.2mm Thk

1шт.

9

5182697

PISTON

1шт.

10

5182696

PISTON RING,56mm ID x 72.99mm OD x 3mm Thk

1шт.

11

14457781

O-RING,23.47mm ID x 2.62" Width

3шт.

12

5168346

BELLEVILLE WASHER,56mm ID x 80mm OD x 3.3mm Thk

12шт.

13

5191305

CIRCLIP,54mm ID

1шт.

14

5191304

RETAINER CUP,55mm ID x 66mm OD x 3mm Thk

1шт.

15

5163844

CLUTCH DRIVING PLATE,99mm ID x 140mm OD x 1.7mm Thk

Square Pattern

8шт.

16

5173294

CLUTCH DISC,99mm ID x 152.6mm OD x 2mm Thk

CLUTCH DISK 2 mm Thk

1шт.

16

5173295

CLUTCH DISC,99mm ID x 152.6mm OD x 2.2mm Thk

CLUTCH DISK 2.2 mm Thk

1шт.

17

5198772

CLUTCH PLATE,94.5mm ID x 152.6mm OD x 9.5mm Thk

1шт.

18

5162251

CIRCLIP,142.5mm ID

1шт.

19

5182704

HUB

1шт.

20

11068076

SNAP RING,M32, Ext

1шт.

21

5198796

CLUTCH PLATE,31.2mm Thk

1шт.

22

84216762

CONTROL SHAFT

1шт.

4 Speed PTO not Compatible with 19 Speed Transmission, VAR.349

1шт.

23

81864341

SPRING,148.35mm ID

8шт.

24

11068876

SNAP RING,M40, Ext

2шт.

4 Speed PTO not Compatible with 19 Speed Transmission, VAR.349

1шт.

25

87623604

GEAR

1шт.

4 Speed PTO not Compatible with 19 Speed Transmission, VAR.349

1шт.

26

84209836

TUBE,10 mm ID x 15.90 mm OD x 133.50 mm L

2шт.

Выбрано товаров: 31