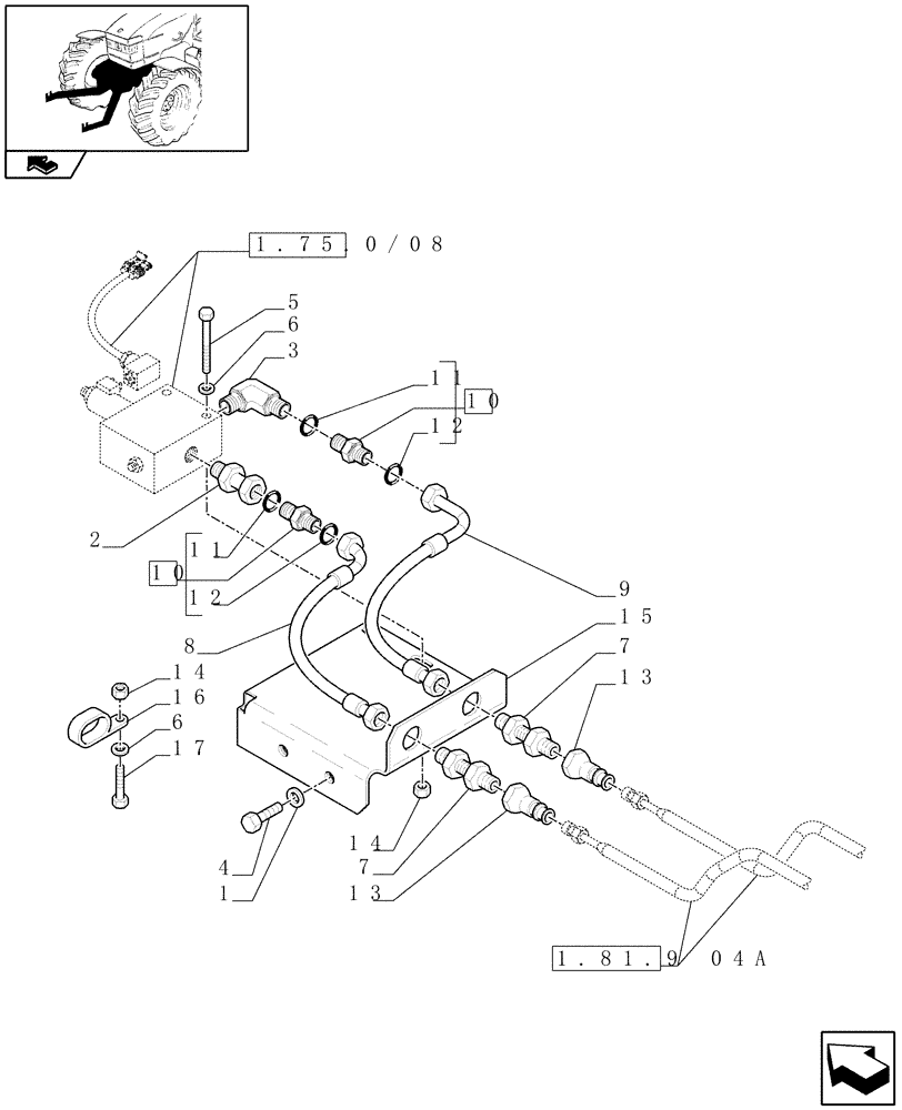
Запчасти Case IH PUMA 195 (1.81.9[03A]) - (VAR.087/1) FRONT HPL FOR REAR REMOTES LESS PTO, LESS AUX. COUPLERS - PIPES - D6726 (07) - HYDRAULIC SYSTEM

Схема запчастей Case IH PUMA 195 - (1.81.9[03A]) - (VAR.087/1) FRONT HPL FOR REAR REMOTES LESS PTO, LESS AUX. COUPLERS - PIPES - D6726 (07) - HYDRAULIC SYSTEM
17
3
12
11
9
8
14
13
16
12
14
4
7
15
6
2
7
5
1
10
home
1.75.0/08
1.81.9 04a
13
6
11
10
FIT
1:1
100%

Артикул

Название

Примечание

Количество

1

14496501

WASHER,8.4mm ID x 17mm OD x 1.6mm Thk

2шт.

2

87312047

HYD CONNECTOR

1шт.

3

87312050

HYD CONNECTOR

1шт.

4

16043821

SCREW,Hex, M8 x 1.25 x 30mm, Cl 8.8, Full Thd

2шт.

5

10903721

BOLT,Hex, M6 x 55mm, Cl 8.8

2шт.

6

14496401

WASHER,M6.4 x 12.00mm x 1.60mm

3шт.

7

82039603

HYD CONNECTOR

2шт.

8

87331296

FLEXIBLE HOSE

1шт.

9

87590684

FLEXIBLE HOSE

1шт.

10

5185524

HYD CONNECTOR

Incl. 11-12

2шт.

11

5185512

O-RING,0.07" Thk x 0.614" ID, -16, Cl 6, 90 Duro

1шт.

12

5135738

O-RING,0.103" Thk x 0.674" ID, -115, 80 Duro

1шт.

13

83972881

COUPLING

2шт.

14

15896211

NUT,M6, Cl 8

3шт.

15

87579947

BRACKET

1шт.

16

82023568

CLAMP,2 Hoses

1шт.

17

10902421

SCREW,Hex, M6 x 20mm, Cl 8.8

1шт.

Выбрано товаров: 17