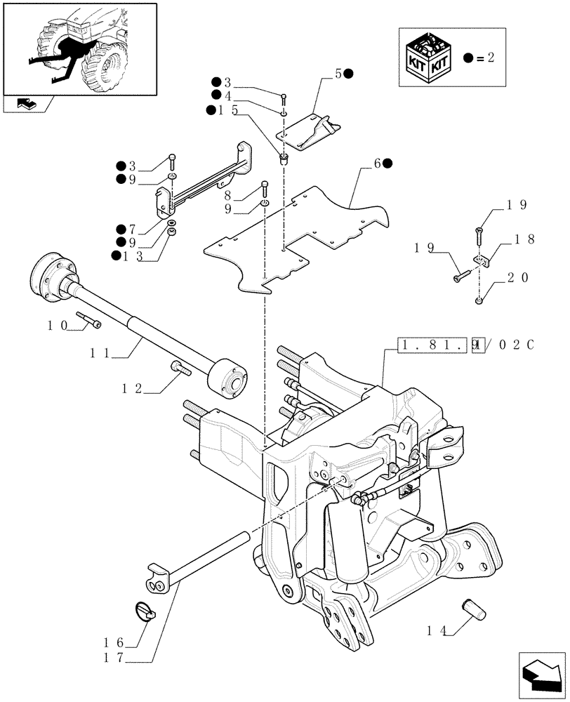
Запчасти Case IH PUMA 195 (1.81.9/02[01A]) - (VAR.089) FRONT HPL WITH PTO, LESS AUX. COUPLERS - LIFTER - D6726 - C6897 (07) - HYDRAULIC SYSTEM

Схема запчастей Case IH PUMA 195 - (1.81.9/02[01A]) - (VAR.089) FRONT HPL WITH PTO, LESS AUX. COUPLERS - LIFTER - D6726 - C6897 (07) - HYDRAULIC SYSTEM
4
11
20
2
5
19
2
6
2
18
14
2
2
3
2
10
16
2
13
9
19
2
3
2
17
2
2
9
7
1
2
12
8
15
1.81.9/02c
home
9
FIT
1:1
100%

Артикул

Название

Примечание

Количество

1

87476106

HITCH

ASSY

1шт.

2

87662335

PLATE

ASSY

1шт.

3

43127

BOLT,Hex, M8 x 1.25 x 25mm, Cl 8.8

M8 x 25

6шт.

4

12646701

WASHER,8.15mm ID x 20mm OD x 2mm Thk

4шт.

5

87687719

LATCH

1шт.

6

87687708

END PLATE

2шт.

7

87663692

BRACKET

1шт.

8

16043421

BOLT,Hex, M8 x 1.25 x 20mm, Cl 8.8, Full Thd

4шт.

9

14496501

WASHER,8.4mm ID x 17mm OD x 1.6mm Thk

8шт.

10

87515210

HEX SOC SCREW,M12 x 70mm, Cl 12.9

6шт.

11

87589274

PTO SHAFT

1шт.

12

87515209

HEX SOC SCREW,M10 x 75mm, Cl 12.9

4шт.

13

9706690

NUT,M8 x 1.25, Cl 8

2шт.

14

87515212

PROTECTIVE COVER

1шт.

15

87688422

NUT

4шт.

16

87399999

CIRCLIP

1шт.

17

87515206

PIN

1шт.

18

84203263

HINGE

2шт.

19

14442031

SCREW,Flat Csk Hd, M8 x 1.25 x 20mm, Cl 10.9

4шт.

20

14048211

NUT,M8 x 1.25, Cl 8

2шт.

Выбрано товаров: 20