Запчасти Case IH PUMA 200 (33.202.01) - ABS SYSTEM - TRANSMISSION BRAKES (VAR.743922) (33) - BRAKES & CONTROLS

Схема запчастей Case IH PUMA 200 - (33.202.01) - ABS SYSTEM - TRANSMISSION BRAKES (VAR.743922) (33) - BRAKES & CONTROLS
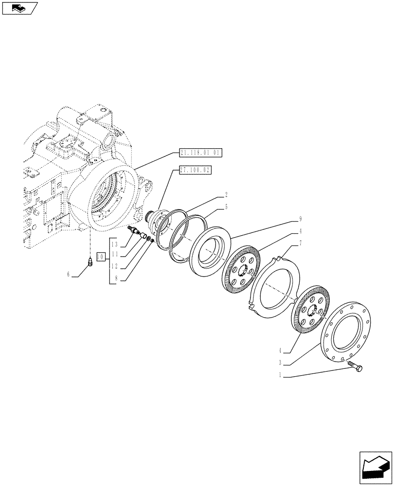
27.100.02
5
9
7
12
11
8
2
10
4
13
3
4
home
6
1
21.118.01 01
FIT
1:1
100%

Артикул

Название

Примечание

Количество

1

14274924

BOLT,Hex, M12 x 1.25 x 50mm, Cl 8.8

M12 x 50

24шт.

2

5195253

SEAL,Square, 3.4mm Thk x 294.1mm ID, 80 Duro

M259.6 x 266.4 x 3.4

2шт.

3

5185968

BRAKE DISC,245mm ID x 400mm OD x 29mm Thk

2шт.

4

47368801

BRAKE DISC

4шт.

5

5165512

SEAL,Square, 3.4mm Thk x 329.8mm ID, 80 Duro

329.6 x 336.4 x 3.4

2шт.

6

5152383

DRAIN PLUG,M12 x 1.25 x 24mm

2шт.

7

5185950

BRAKE DISC,245mm ID x 368mm OD x 22mm Thk

2шт.

8

9628098

NUT,M8 x 1.25, Cl 10

6шт.

9

5195093

PISTON

2шт.

10

84172140

PIN

ASSY, Contains Ref. 8,11,12

6шт.

11

84172142

BUSHING,13.3mm ID x 20mm OD x 21.9mm L

6шт.

12

84177978

WASHER,8.2mm ID x 20mm OD x 2mm Thk

6шт.

13

84172141

PIN,22mm OD x 64mm L

6шт.

Выбрано товаров: 13