Запчасти Case IH PUMA 200 (35.100.0201[01A]) - 4WD FRONT AXLE WITH ACTIVE SUSPENSIONS - HYDRAULIC DIFFERENTIAL LOCK - D7091 (VAR.720463-743963-743964) (35) - HYDRAULIC SYSTEMS

Схема запчастей Case IH PUMA 200 - (35.100.0201[01A]) - 4WD FRONT AXLE WITH ACTIVE SUSPENSIONS - HYDRAULIC DIFFERENTIAL LOCK - D7091 (VAR.720463-743963-743964) (35) - HYDRAULIC SYSTEMS
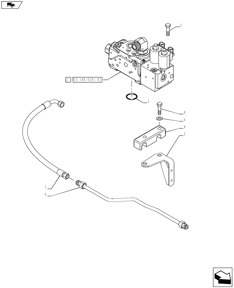
7
4
8
5
9
35.100.0201 02
3
6
home
1
2
FIT
1:1
100%

Артикул

Название

Примечание

Количество

1

87593447

VALVE SECTION

ASSY

1шт.

2

14421431

HEX SOC SCREW,M10 x 1.5 x 100mm, Cl 10.9

1шт.

3

14457981

O-RING,1.049" ID x 0.103" Width

1шт.

4

14496401

WASHER,M6.4 x 12.00mm x 1.60mm

2шт.

5

82037221

BRACKET

1шт.

6

87708352

PIPE

1шт.

7

87316165

HOSE

1шт.

8

87309856

CLAMP BRACKET

1шт.

9

16050621

SCREW,Hex, M6 x 30mm, Cl 8.8, Full Thd

2шт.

Выбрано товаров: 9