Запчасти Case IH PUMA 200 (35.124.01[07]) - RIGHT LIFT ROD AND TOP LINK HYDRAULIC ADJUST W/ELECTRONIC CONTROL - PIPES (VAR.728484) (35) - HYDRAULIC SYSTEMS

Схема запчастей Case IH PUMA 200 - (35.124.01[07]) - RIGHT LIFT ROD AND TOP LINK HYDRAULIC ADJUST W/ELECTRONIC CONTROL - PIPES (VAR.728484) (35) - HYDRAULIC SYSTEMS
7
4
2
5
3
3
35.204.01 01
home
6
6
3
8
1
FIT
1:1
100%

Артикул

Название

Примечание

Количество

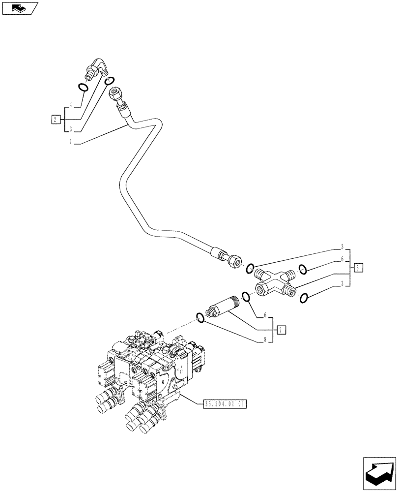
1

87724322

HYD TUBE

1шт.

2

5185052

90 ELBOW,13/16"-16 x M18 x 1.5

13/16"-16;M18 x 1.5, Contains Ref. 3,4

1шт.

3

5185511

O-RING,1.78mm Thk x 12.42mm ID, 85 Duro

M12.42 ID x 1.78 Thk

3шт.

4

14437985

O-RING,15.3mm ID x 2.4mm

1шт.

5

5199116

4 WAY CONNECTION

13/16"-16, 1"-14, Incl. 3, 6, Contains Ref. 3,6

1шт.

6

5185512

O-RING,0.07" Thk x 0.614" ID, -16, Cl 6, 90 Duro

2шт.

7

5199935

HYD CONNECTOR

Contains Ref. 6,8

1шт.

8

14438085

O-RING,19.3mm ID x 2.4mm

1шт.

Выбрано товаров: 8