Запчасти Case IH PUMA 200 (55.418.12) - GEARBOX HOUSING SENSORS (55) - ELECTRICAL SYSTEMS

Схема запчастей Case IH PUMA 200 - (55.418.12) - GEARBOX HOUSING SENSORS (55) - ELECTRICAL SYSTEMS
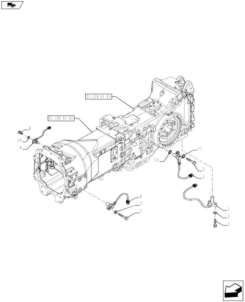
4
21.100.01 01
home
21.118.01 01
6
5
11
12
9
1
3
2
10
7
3
8
FIT
1:1
100%

Артикул

Название

Примечание

Количество

1

84165809

SENSOR

PTO Speed, Serial Range: -C7138

1шт.

1

84373571

SENSOR

PTO Speed, Start Serial: D7138

1шт.

2

10977724

BOLT,M5 x 14.00mm, Cl 8.8, DAC

2шт.

3

10571474

LOCK WASHER,5.10mm ID x 9.20mm OD x 1.20mm, C72, DAC

3шт.

4

84169162

SENSOR

Mid Speed

2шт.

5

14305720

HEX SOC SCREW,M6 x 14mm, Cl 8.8, Full Thd

1шт.

6

87564763

SENSOR

1шт.

7

10977524

BOLT,Hex, M5 x 10mm, Cl 8.8, Full Thd

1шт.

8

87564761

SENSOR

3шт.

9

14305224

HEX SOC SCREW,M6 x 16mm, Cl 8.8, Full Thd

5шт.

10

12605379

LOCK WASHER

3шт.

11

10615476

LOCK WASHER,Ext Tooth, M6

1шт.

12

47136259

O-RING,3mm Thk x 17.2mm ID, 72 Duro

2шт.

Выбрано товаров: 13