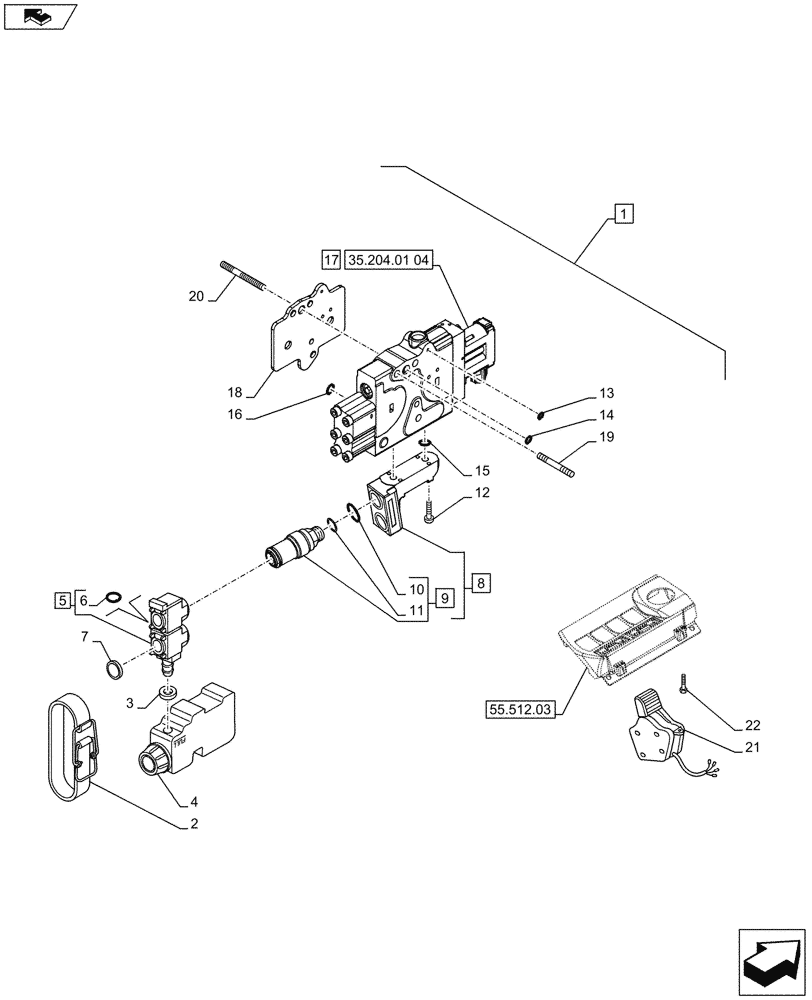
Запчасти Case IH PUMA 200 (88.035.04[01]) - DIA KIT - REAR ELECTRONIC REMOTE CONTROL VALVE - C7411 (88) - ACCESSORIES

Схема запчастей Case IH PUMA 200 - (88.035.04[01]) - DIA KIT - REAR ELECTRONIC REMOTE CONTROL VALVE - C7411 (88) - ACCESSORIES
55.512.03
11
4
12
3
16
6
7
1
19
21
22
13
20
14
8
15
10
18
home
2
17
9
5
35.204.01 04
FIT
1:1
100%

Артикул

Название

Примечание

Количество

1

719412084

DIA KIT, TRACTOR

EHR Lever Block, Contains Ref. 2 - 22

1шт.

Refer to Installation Instructions for Correct Assembly Procedure

1шт.

2

82032061

CLIP

1шт.

3

82029356

SEAL,20.00mm OD x 3.00mm

1шт.

4

84161328

BOTTLE,0.2L

1шт.

5

82033220

DUST CAP

ASSY, Contains Ref. 6

1шт.

6

14454580

O-RING,34.65mm ID x 1.78mm

2шт.

7

82029895

DISC,20mm D, Black

Black

2шт.

8

87596458

HYDRAULIC MANIFOLD

ASSY, Contains Ref. 9

1шт.

9

87381944

COUPLING, QUICK, FEM

ASSY, Contains Ref. 10, 11

1шт.

10

14438085

O-RING,19.3mm ID x 2.4mm

1шт.

11

87382012

SEAL KIT

1шт.

12

864-6045

HEX SOC SCREW,M6 x 45mm, Cl 8.8

4шт.

13

87635379

O-RING,2.62mm Thk x 9.19mm ID, -110, 80 Duro

9шт.

14

87635382

O-RING,2.62mm Thk x 20.29mm ID, -117, 80 Duro

9шт.

15

87635381

O-RING,2.62mm Thk x 15.54mm ID, -114, 80 Duro

2шт.

16

87635376

O-RING,2.62mm Thk x 3.63mm ID, -105, 80 Duro

3шт.

17

87325955

HYD VALVE SECTION

ASSY, Auxiliary, Main

1шт.

17

87325955R

REMAN-HYD VALVE

Auxiliary, Main

1шт.

17

87325955C

CORE-VALVE HYD

Return Number

1шт.

18

87340783

PLATE

1шт.

19

87604618

STUD,M12 x 1.75 x 185mm

3шт.

20

87604619

THREADED TIE-ROD,M12 x 1.75 x 135mm L

3шт.

21

87486098

ROCKER SWITCH

1шт.

22

50631

SCREW,Self Tapping, M6 x 0.5" OAL

1шт.

Выбрано товаров: 25