Запчасти Case IH PUMA 200 (88.035.05[02]) - DIA KIT - MECHANICAL REAR REMOTES - CONTROL VALVE - C7411 (88) - ACCESSORIES

Схема запчастей Case IH PUMA 200 - (88.035.05[02]) - DIA KIT - MECHANICAL REAR REMOTES - CONTROL VALVE - C7411 (88) - ACCESSORIES
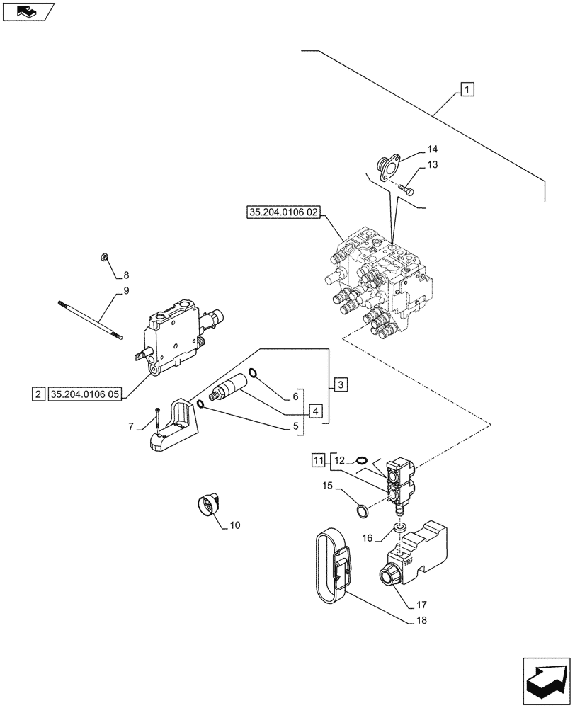
35.204.0106 02
1
5
4
2
15
3
8
18
10
9
6
16
13
14
7
12
17
home
11
35.204.0106 05
FIT
1:1
100%

Артикул

Название

Примечание

Количество

1

710652014

DIA KIT, TRACTOR

Mechanical Remotes Controller, Contains Ref. 2 - 19

1шт.

Refer to Installation Instructions for Correct Assembly Procedure

1шт.

See also Figure 88.035.05 (01) and 88.035.05 (03)

1шт.

2

87313431

VALVE SECTION

ASSY

1шт.

2

87313431R

REMAN-HYD VALVE

1шт.

2

87313431C

CORE-VALVE HYD

Return Number

1шт.

3

87381984

HYDRAULIC MANIFOLD

is faster 4bm13, ASSY, Contains Ref. 4

1шт.

4

87381944

COUPLING, QUICK, FEM

ASSY, Contains Ref. 5, 6

2шт.

5

14438085

O-RING,19.3mm ID x 2.4mm

1шт.

6

87382012

SEAL KIT

1шт.

7

14305971

HEX SOC SCREW,M6 x 45mm, Cl 12.9

4шт.

8

5195169

NUT,M8

3шт.

9

5195170

BOLT

3шт.

9

5191753

BOLT

6шт.

10

87531920

KNOB

2шт.

11

82033220

DUST CAP

ASSY, Contains Ref. 12

1шт.

12

14454580

O-RING,34.65mm ID x 1.78mm

2шт.

13

14305224

HEX SOC SCREW,M6 x 16mm, Cl 8.8, Full Thd

2шт.

14

5189606

SUPPORT

1шт.

15

82029894

DISC,20mm OD x 5.5mm Thk, Green, PA6+30% Glass Fiber

Brown

2шт.

15

82029895

DISC,20mm D, Black

Black

2шт.

16

82029356

SEAL,20.00mm OD x 3.00mm

1шт.

17

84161328

BOTTLE,0.2L

1шт.

18

82032061

CLIP

1шт.

Выбрано товаров: 24