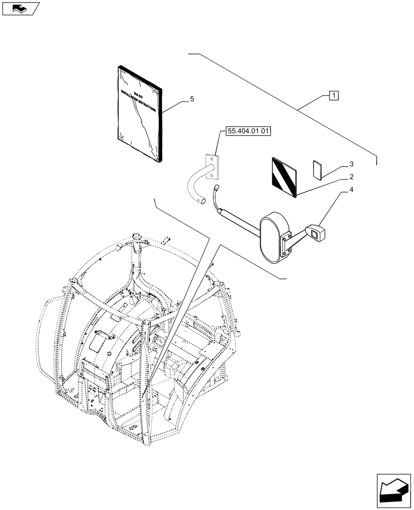
Запчасти Case IH PUMA 200 (88.055.09) - DIA KIT - OVERWIDTH WARNING, ITALY (88) - ACCESSORIES

Схема запчастей Case IH PUMA 200 - (88.055.09) - DIA KIT - OVERWIDTH WARNING, ITALY (88) - ACCESSORIES
2
4
5
home
55.404.01 01
1
3
FIT
1:1
100%

Артикул

Название

Примечание

Количество

1

710592014

DIA KIT, TRACTOR

Overwidth Warning - Italy, Contains Ref. 2-4 & Installation Instructions

1шт.

Refer to Installation Instructions for Correct Assembly Procedure

1шт.

2

87448098

PLATE

500x500 mm

1шт.

3

87448110

ADHESIVE STRIP

4шт.

4

87607244

WORK LAMP,RH Led, 12-24V, White Lens

RH

1шт.

4

87607245

WORK LAMP,LH Led, 12/24V, White Lens

LH

1шт.

5

84135625

INSTRUCTION

1шт.

Выбрано товаров: 7