Запчасти Case IH PUMA 200 (37.120.AF[02]) - LATERAL STABILIZERS “CBM” (37) - HITCHES, DRAWBARS & IMPLEMENT COUPLINGS

Схема запчастей Case IH PUMA 200 - (37.120.AF[02]) - LATERAL STABILIZERS “CBM” (37) - HITCHES, DRAWBARS & IMPLEMENT COUPLINGS
6
37.120.ax
3
5
7
2
1
1
4
8
37.120.af 01
9
FIT
1:1
100%

Артикул

Название

Примечание

Количество

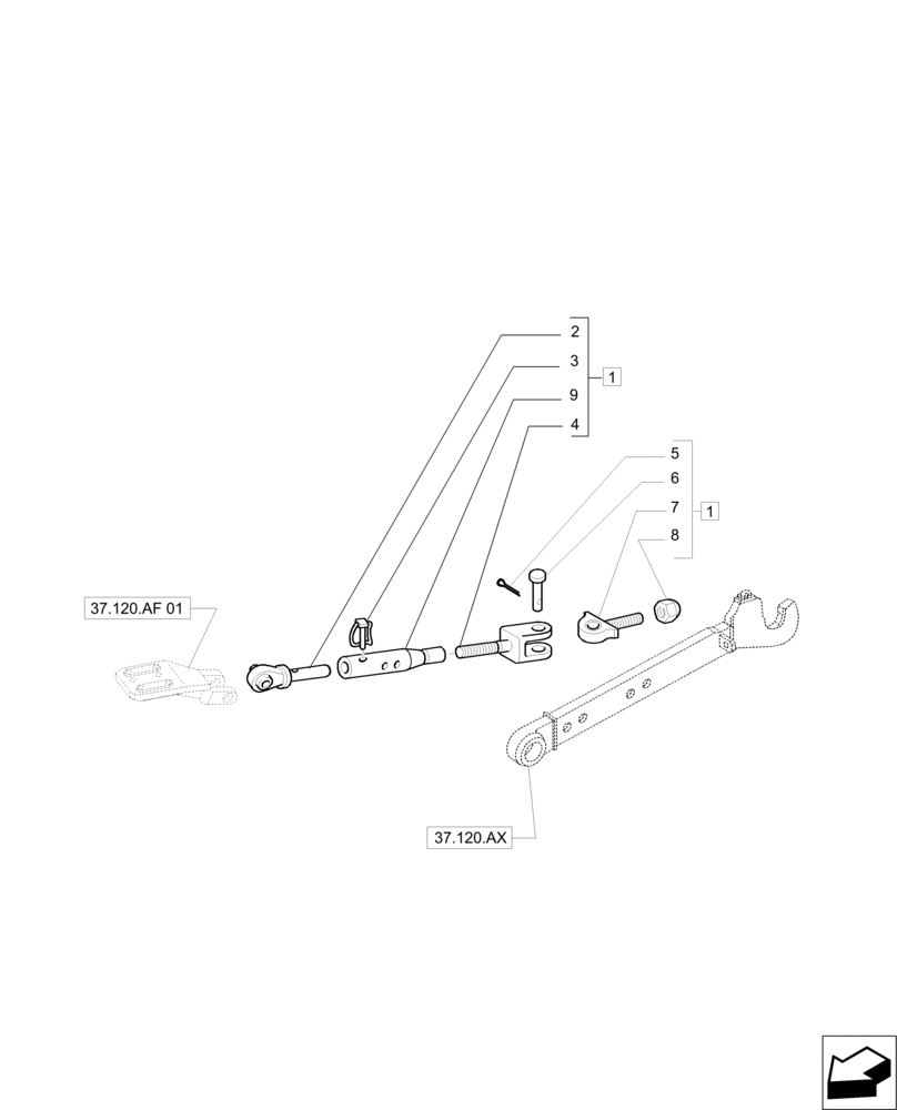
1

87311418

STABILIZER

Incl 2 - 9

2шт.

2

87315081

EYEBOLT

1шт.

3

87315094

LINCH PIN

1шт.

4

87315092

YOKE

1шт.

5

9515820

COTTER PIN,M10.5 x 24mm OD x 3mm Thk

1шт.

6

5197809

PIN,25mm OD x 79mm L

1шт.

7

47124337

PIN

1шт.

8

47124338

NUT

1шт.

9

87315080

TUBE

1шт.

Выбрано товаров: 9