Качественные детали и логистика
Оригинальные и аналоговые запчасти с доставкой по России, Казахстану и Беларуси
©2022 PartSell ООО "Система" ИНН 2463123282 ОГРН 1212400004838
Центральный офис: г. Красноярск, Академика Киренского, д.87, пом.4
Телефон: 8 (800) 777-65-74 Email: zakaz@partsell.ru
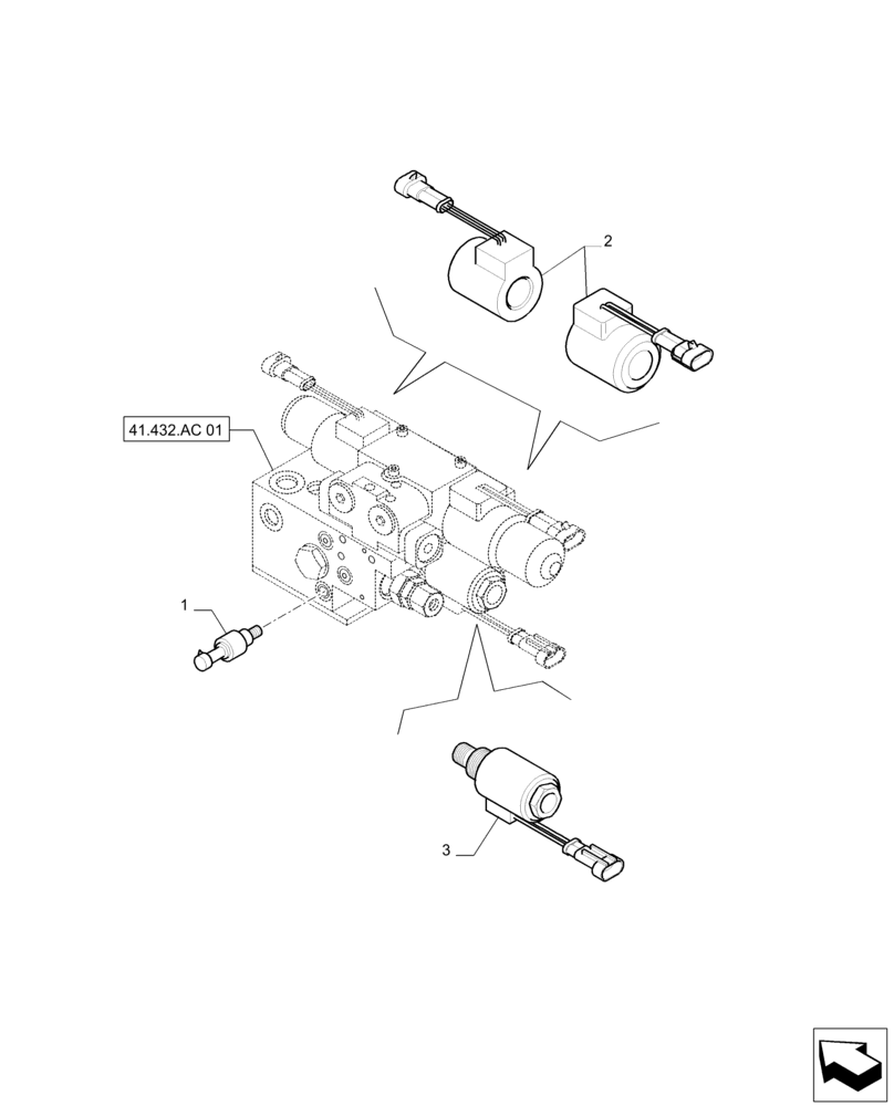
(55.048.AK[02]) - AUTOGUIDANCE SYSTEM READY - SOLENOID VALVES AND SENSOR
№
Артикул
Название
Примечание
Количество
1
87428328
PRESSURE SWITCH
1шт.
2
84160383
COIL
2шт.
3
84160403
SOLENOID VALVE
Выбрано товаров: 0