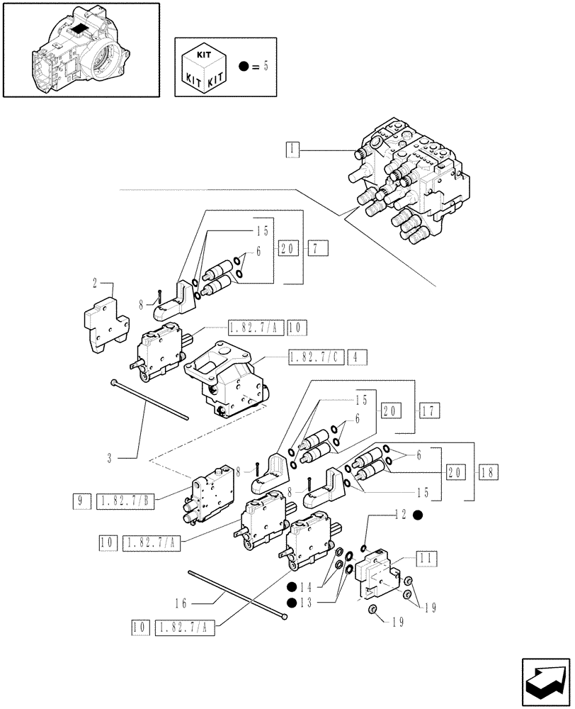
Запчасти Case IH PUMA 210 (1.82.7/01[02]) - (VAR.170) 3 X MECHANICAL CLOSED CENTER REMOTES (07) - HYDRAULIC SYSTEM

Схема запчастей Case IH PUMA 210 - (1.82.7/01[02]) - (VAR.170) 3 X MECHANICAL CLOSED CENTER REMOTES (07) - HYDRAULIC SYSTEM
8
2
8
18
10
6
7
1.82.7/b
15
1.82.7/c
10
5
1
1.82.7/a
8
9
5
1.82.7/a
13
1.82.7/a
6
4
3
11
10
15
5
19
17
20
15
5
20
19
20
6
14
16
5
12
FIT
1:1
100%

Артикул

Название

Примечание

Количество

1

47135541

CONTROL VALVE

Remote Control Valve

1шт.

2

5190710

PLATE

1шт.

3

16044831

SCREW,Hex, M8 x 80mm, Cl 10.9

3шт.

4

47136304

BODY

1шт.

5

47126963

SEAL

1шт.

6

87382012

SEAL KIT

6шт.

7

87381983

HYDRAULIC MANIFOLD

is faster 4bm12

1шт.

8

14305971

HEX SOC SCREW,M6 x 45mm, Cl 12.9

12шт.

9

47136333

CONTROL VALVE

1шт.

10

87526168

VALVE SECTION,Control, SB23-LS

Assy.

3шт.

10

87526168R

REMAN-HYD VALVE

Reman For New P/N 87526168

3шт.

10

87526168C

CORE-VALVE HYD

Return Number

3шт.

11

5195157

COVER

Incl. 5, 12, 13, 20

1шт.

12

81862872

O-RING,2.4mm Thk x 19.6mm ID

2,5x20

1шт.

13

5190751

O-RING,2.5mm Thk x 18mm ID

18 x 2.5

2шт.

14

5195150

BACK-UP RING

2шт.

15

14438085

O-RING,19.3mm ID x 2.4mm

6шт.

16

5195168

TIE-ROD,M8

3шт.

17

87381982

HYDRAULIC MANIFOLD

is faster 4bm11

1шт.

18

87381981

HYDRAULIC MANIFOLD

is faster 4bm10

1шт.

19

16100821

NUT,M8, Cl 10

3шт.

20

87381944

COUPLING, QUICK, FEM

6шт.

Выбрано товаров: 22