Запчасти Case IH PUMA 215 (33.202.AP[02]) - BRAKE PEDALS - PIPES (33) - BRAKES & CONTROLS

Схема запчастей Case IH PUMA 215 - (33.202.AP[02]) - BRAKE PEDALS - PIPES (33) - BRAKES & CONTROLS
33.202.bn 02
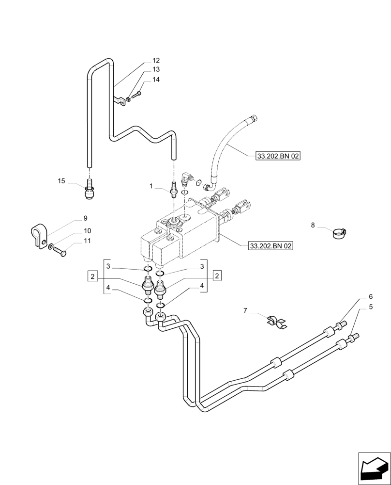
5
9
10
33.202.bn 02
6
1
2
14
3
13
2
11
7
8
3
15
4
12
4
FIT
1:1
100%

Артикул

Название

Примечание

Количество

1

82029114

FITTING,M16 x 1.5 x 51mm L

1шт.

2

82019693

HYD CONNECTOR,11/16" - 16 ORFS x M14 x 1.5 ORFS

Incl 3, 4

2шт.

3

82019811

SEAL,11.6mm ID x 16.5mm OD x 1.5mm Thk

2шт.

4

81844851

O-RING,0.07" Thk x 0.364" ID, -12, Cl 6, 90 Duro

2шт.

5

87313214

TUBE,8 mm OD

1шт.

6

87313215

TUBE

1шт.

7

87586327

CLIP

1шт.

8

87695291

COLLAR

2шт.

9

10441490

COLLAR,14mm, Coat, 7mm Bolt Hole, P Type

1шт.

10

14496504

WASHER,8.4mm ID x 17mm OD x 1.6mm Thk

1шт.

11

16043224

BOLT,Hex, M8 x 16mm, Cl 8.8

1шт.

12

87695219

HYD TUBE

1шт.

13

17094714

LOCK WASHER,M6 x 13

1шт.

14

15904507

SCREW,Pozidriv Pan Hd, M5.5 x 1.8 x 16mm

1шт.

15

87695284

END FITTING

2шт.

Выбрано товаров: 0