Качественные детали и логистика
Оригинальные и аналоговые запчасти с доставкой по России, Казахстану и Беларуси
©2022 PartSell ООО "Система" ИНН 2463123282 ОГРН 1212400004838
Центральный офис: г. Красноярск, Академика Киренского, д.87, пом.4
Телефон: 8 (800) 777-65-74 Email: zakaz@partsell.ru
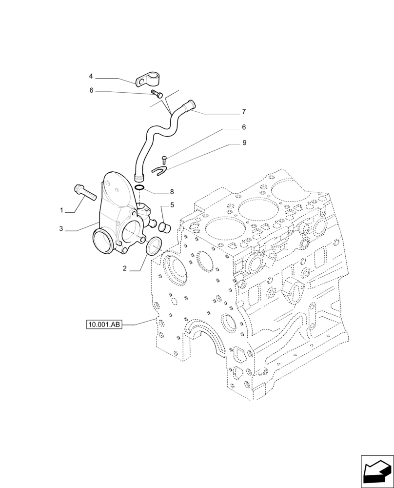
(10.400.AE) - ENGINE COOLING SYSTEM PIPING
№
Артикул
Название
Примечание
Количество
1
4895174
SCREW,Flg Hd, M10 x 1.5 x 65
3шт.
2
2854072
SEALING RING,Square, 5.16mm Thk x 50.17mm ID
1шт.
3
2859659
MANIFOLD
4
2854845
COLLAR CLAMP
5
NSS
NOT SOLD SEPARAT
6
4895164
SCREW,Hex, Flg Hd, M6 x 16
2шт.
7
2854841
TUBE
8
2853563
O-RING,20.29mm ID x 2.62mm
9
2853564
BRACKET
Выбрано товаров: 0