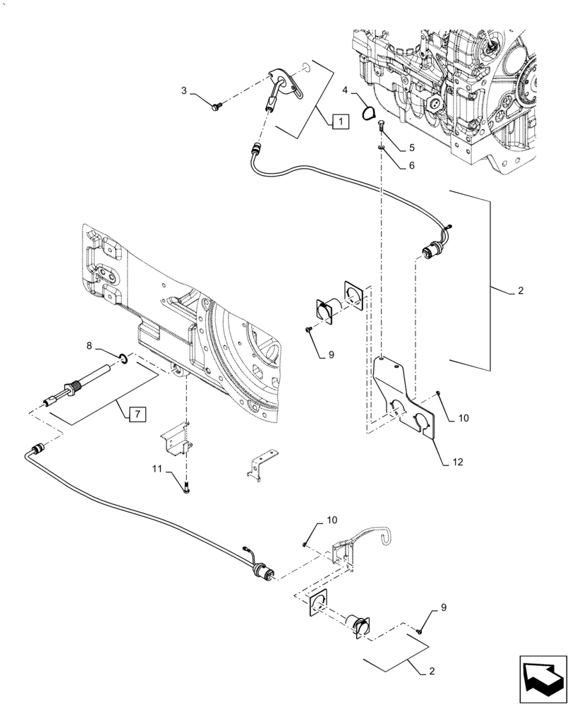
Запчасти Case IH PUMA 2304 (55.202.AE) - (240V) ENGINE BLOCK TRANSMISSION OIL HEATERS (55) - ELECTRICAL SYSTEMS

Схема запчастей Case IH PUMA 2304 - (55.202.AE) - (240V) ENGINE BLOCK TRANSMISSION OIL HEATERS (55) - ELECTRICAL SYSTEMS
10
9
8
2
11
5
10
6
12
9
2
3
4
1
7
FIT
1:1
100%

Артикул

Название

Примечание

Количество

1

87756078

HEATER,240V

Assy

1шт.

2

84397509

ELECTRIC CABLE

2шт.

3

86511841

BOLT,Flng, M8 x 1.25 x 16mm, Full Thd, Cl 8.8

2шт.

4

82001041

CABLE TIE,0.190" x 7.00" / 200 mm L

2шт.

5

16043221

BOLT,Hex, M8 x 16mm, Cl 8.8, Full Thd

2шт.

6

14496521

WASHER,8.4mm ID x 17mm OD x 1.6mm Thk

2шт.

7

82030789

HEATER,240V

Assy

1шт.

8

81903721

O-RING,0.116" Thk x 1.048" ID, -914, Cl 6, 90 Duro

1шт.

9

13271914

SCREW,Pozidriv Pan Hd, M4 x 10mm, Cl 5.8, Full Thd

4шт.

10

10794011

NUT,M4, Cl 8

4шт.

11

14420271

HEX SOC SCREW,M10 x 1.5 x 30mm, Cl 12.9, Full Thd

1шт.

12

47390802

SUPPORT

Bracket, Heater Sockets

1шт.

Выбрано товаров: 12