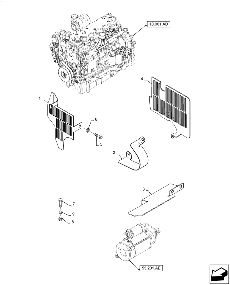
Запчасти Case IH PUMA 2304 (90.102.AG) - ENGINE SHIELD (90) - PLATFORM, CAB, BODYWORK AND DECALS

Схема запчастей Case IH PUMA 2304 - (90.102.AG) - ENGINE SHIELD (90) - PLATFORM, CAB, BODYWORK AND DECALS
55.201.ae
6
5
8
3
7
4
1
10.001.ad
9
2
FIT
1:1
100%

Артикул

Название

Примечание

Количество

1

87365151

GUARD

Engine Plated

1шт.

2

87581499

GUARD

Engine - Case Models Plated

1шт.

3

87590024

SHIELD

Heat - Starter Motor

1шт.

4

87632715

GUARD

Less Airbrakes Plated

1шт.

5

11106021

BOLT,Hex, M10 x 1.5 x 20 mm, Cl 8.8, Full Thd

2шт.

6

14496601

WASHER,10.5mm ID x 21mm OD x 2mm Thk

2шт.

7

10902221

BOLT,Hex, M6 x 16mm, CL 8.8

2шт.

8

15896211

NUT,M6, Cl 8

2шт.

9

14496401

WASHER,M6.4 x 12.00mm x 1.60mm

1шт.

Выбрано товаров: 9