Запчасти Case IH PUMA 2304 (90.154.AA[03]) - CAB DOOR, LH (90) - PLATFORM, CAB, BODYWORK AND DECALS

Схема запчастей Case IH PUMA 2304 - (90.154.AA[03]) - CAB DOOR, LH (90) - PLATFORM, CAB, BODYWORK AND DECALS
3
19
7
5
15
16
1
4
13
17
12
11
15
10
11
9
14
19
18
11
20
3
6
8
15
2
FIT
1:1
100%

Артикул

Название

Примечание

Количество

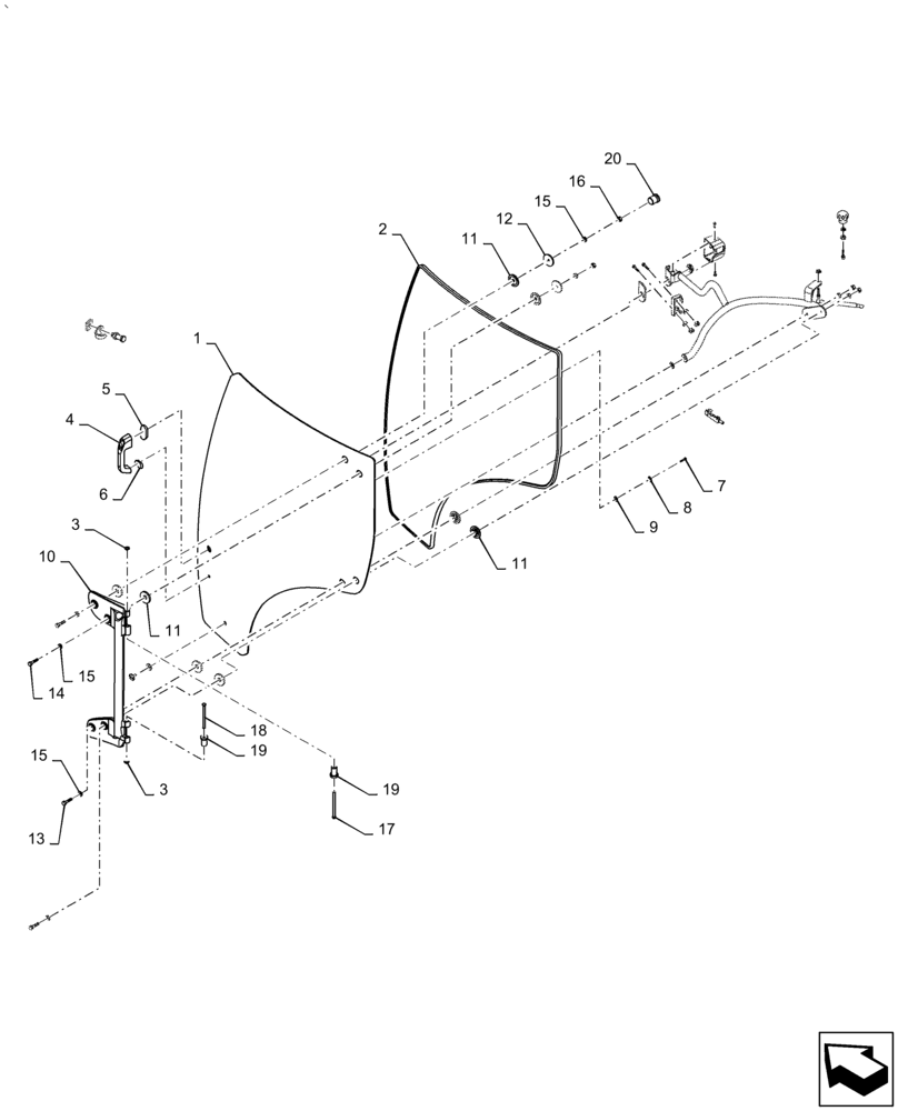
1

87560786

LH CAB DOOR

1шт.

2

84275610

WEATHERSTRIP

1шт.

3

11087971

CIRCLIP,M8

2шт.

4

82029168

HANDLE

1шт.

5

82029170

GASKET,5-6.5mm Thk, 32mm ID

1шт.

6

82029171

GASKET,5mm Thk, 12mm ID

1шт.

7

10902421

SCREW,Hex, M6 x 20mm, Cl 8.8

1шт.

8

12640607

WASHER,6.15mm ID x 25mm OD x 2mm Thk

1шт.

9

82029142

GASKET,16mm ID x 26mm OD x 3mm Thk

1шт.

10

87301643

HINGE

1шт.

11

87528178

SEALING WASHER,20mm ID x 60mm OD x 5.5mm Thk

8шт.

12

44995004

WASHER,9mm ID x 60mm OD x 3.4mm Thk

2шт.

13

15213321

BOLT,Hex, M8 x 1.25 x 35mm, Cl 8.8

2шт.

14

16044021

SCREW,Hex, M8 x 1.25 x 40mm, Cl 8.8

2шт.

15

14496501

WASHER,8.4mm ID x 17mm OD x 1.6mm Thk

8шт.

16

16100811

NUT,Hex, M8, 6.80mm, Cl 8, ZND

4шт.

17

82029159

PIN,9.8mm OD x 129mm L

1шт.

18

82029160

PIN,9.8MM OD X 117.6MM L

1шт.

19

82027697

BUSHING,9.5mm ID x 18mm OD x 17mm L

2шт.

20

5132136

CAP COVER,M8

10шт.

Выбрано товаров: 20