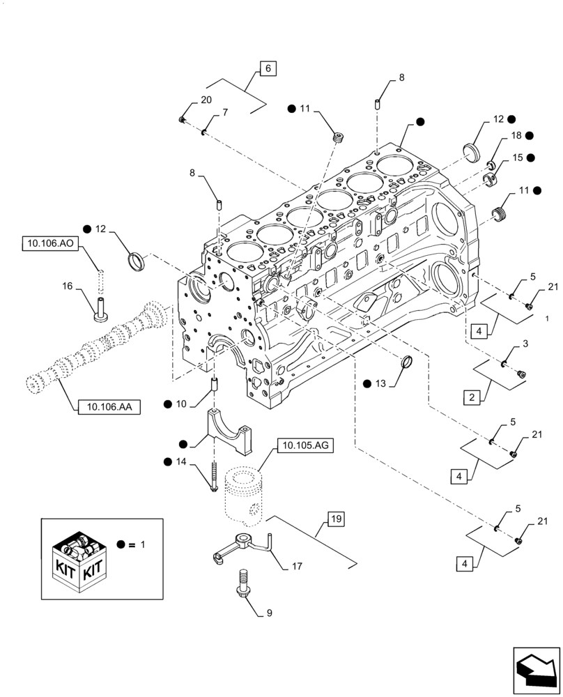
Запчасти Case IH PUMA 2304 (10.001.AB) - CRANKCASE (10) - ENGINE

Схема запчастей Case IH PUMA 2304 - (10.001.AB) - CRANKCASE (10) - ENGINE
1
11
1
10.106.ao
21
1
12
15
1
9
16
10.106.aa
1
1
1
21
12
14
4
4
5
11
1
6
10.105.ag
8
2
21
5
1
5
1
17
1
18
13
10
8
20
4
1
1
1
3
7
19
FIT
1:1
100%

Артикул

Название

Примечание

Количество

1

2831313

CYLINDER BLOCK,6 Cylinders

Assy

1шт.

2

4895605

HEX SOCKET PLUG,M14 x 1.5

2шт.

3

4899115

O-RING,2.2mm Thk x 11.3mm ID

1шт.

4

4899009

PLUG,M10 x1

Incl 5, 21

3шт.

5

4899072

O-RING,1.6mm Thk x 8.1mm ID

1шт.

6

4895392

HEX SOCKET PLUG,M18 x 1.5

Incl 7, 20

2шт.

7

4895393

O-RING,2.2mm Thk x 15.3mm ID

1шт.

8

4895049

DOWEL,M16.05 x 10

2шт.

9

4894218

SCREW,Special, M8 x 20

6шт.

10

4899026

DOWEL,M18 x 10

14шт.

11

4895039

EXPANSION PLUG,M17.73

2шт.

12

4895038

EXPANSION PLUG,M58.06

6шт.

13

4895228

EXPANSION PLUG,35.23mm x 7.94mm

3шт.

14

4891353

SCREW,Flg Hd, M12 x 1.5 x 120

14шт.

15

4895040

BUSHING,54.39mm ID x 59.39mm OD x 25.4mm L

1шт.

16

4899803

TAPPET

12шт.

17

2852203

NOZZLE, PISTON COOLI

1шт.

18

2831364

LUBE OIL NOZZLE

Jet

1шт.

19

2852202

NOZZLE, PISTON COOLI

Pipe Assy

6шт.

20

4895394

HEX SOCKET PLUG,M18 x 1.5

1шт.

21

4895041

PLUG,M10 x 1 x 13.5mm L

1шт.

Выбрано товаров: 21