Запчасти Case IH PUMA 2304 (10.408.AC) - HEAT EXCHANGER, ENGINE (10) - ENGINE

Схема запчастей Case IH PUMA 2304 - (10.408.AC) - HEAT EXCHANGER, ENGINE (10) - ENGINE
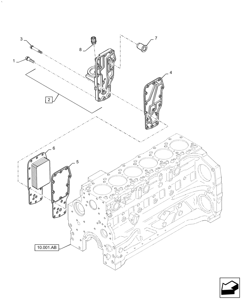
1
6
5
8
2
3
4
10.001.ab
7
FIT
1:1
100%

Артикул

Название

Примечание

Количество

1

4899019

SCREW,Hex Flg, M8 x 1.25 x 35

13шт.

2

2830673

FILTER HEAD

Assy

1шт.

3

4895609

BOLT,Flng, M8 x 1.25 x 100mm

2шт.

4

2831317

GASKET,0.9mm Thk

1шт.

4

4896409

GASKET,1.55mm Thk

1шт.

5

2830559

GASKET,0.5mm Thk

1шт.

6

4896407

OIL COOLER

1шт.

6

2853604

OIL COOLER

1шт.

7

4896410

VALVE PRESSURE RELIE

1шт.

8

4893391

ADAPTER,M24 x 2 x M27 x 2

1шт.

Выбрано товаров: 10