Запчасти Case IH PUMA1654 (21.105.AQ[02]) - TRANSMISSION OIL SUPPLY LINE (21) - TRANSMISSION

Схема запчастей Case IH PUMA1654 - (21.105.AQ[02]) - TRANSMISSION OIL SUPPLY LINE (21) - TRANSMISSION
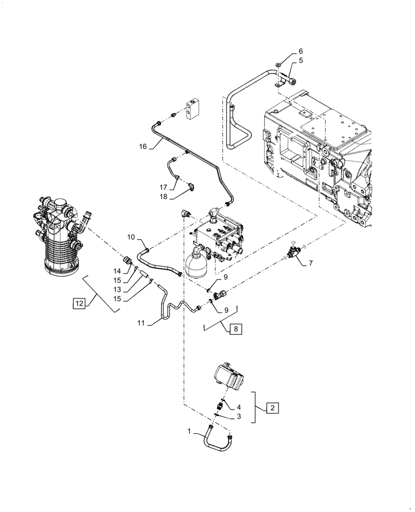
9
10
2
15
12
13
5
15
17
8
7
4
9
1
18
3
6
16
14
11
FIT
1:1
100%

Артикул

Название

Примечание

Количество

1

87580026

PIPE

Residual Flow

1шт.

2

5185046

HYD CONNECTOR,1-14 ORFS x M18 x 1.5 ORB

Incl 3, 4

1шт.

3

5185512

O-RING,0.07" Thk x 0.614" ID, -16, Cl 6, 90 Duro

1шт.

4

14437985

O-RING,15.3mm ID x 2.4mm

1шт.

5

84283174

PIPE

Pressure to Oil Cooler

1шт.

6

14496611

WASHER,10.5mm ID x 21mm OD x 2mm Thk

1шт.

7

87347550

HYD CONNECTOR,1"14 x 1"3/16 -12 x M22 x 1.5

Tee Run

1шт.

8

47134655

TEE,1"-14 ORFS x 1"-14 ORFS x 1"-14

Connector, Incl 9

1шт.

9

5185512

O-RING,0.07" Thk x 0.614" ID, -16, Cl 6, 90 Duro

2шт.

10

87519183

PIPE

Discarge Oil Cooler

1шт.

11

84352739

HYD TUBE

Pipe Pressure

1шт.

12

84352585

HYD CONNECTOR

Sleeve, Incl 13 - 15

1шт.

13

84352586

HOSE,15.9mm ID x 70mm L, SAE 100R6

Sleeve G Port

1шт.

14

87330801

HYD CONNECTOR,21mm D x 12.5mm D

Quick Straight

1шт.

15

82039344

HOSE CLAMP,20mm - 32mm

Worm Gear

2шт.

16

84404479

PIPE

Front Lube

1шт.

17

84404514

TUBE

Hose

1шт.

18

84372555

90 ELBOW,11/16"-16 ORFS x M16 x 1.5 ORB

1шт.

Выбрано товаров: 18