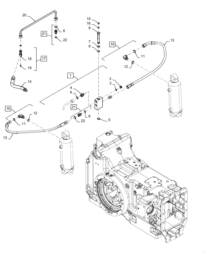
Запчасти Case IH PUMA1654 (21.105.AQ[03]) - TRANSMISSION OIL SUPPLY, PIPES LOW PRESSURE (21) - TRANSMISSION

Схема запчастей Case IH PUMA1654 - (21.105.AQ[03]) - TRANSMISSION OIL SUPPLY, PIPES LOW PRESSURE (21) - TRANSMISSION
22
8
21
19
6
21
13
17
12
16
7
11
15
12
4
13
1
14
18
9
22
6
2
6
20
11
5
3
10
10
FIT
1:1
100%

Артикул

Название

Примечание

Количество

1

87570548

BLOCK

Lube Body Assy, Incl 2 - 6, 21 - 22

1шт.

2

10119311

PLUG,M16 x 1.5 x 12, Cl5.8

1шт.

3

14437885

O-RING,13.30mm ID x 2.40mm

1шт.

4

86579676

HYD CONNECTOR,13/16" - 16 ORFS x M18 x 1.5 ORB

Incl 5, 6

1шт.

5

86598101

O-RING,2.2mm Thk x 15.3mm ID, Cl 6, 90 Duro

1шт.

6

9992298

O-RING,0.07" Thk x 0.489" ID, -14, Cl 6, 90 Duro

1шт.

7

5167639

SEALING WASHER,13.4mm ID x 24mm OD x 1.5mm Thk

Self - Centering

1шт.

8

87519177

BANJO BOLT,M16 x 1 x 115mm

1шт.

9

14457380

O-RING,0.103" Thk x 0.674" ID, -115, Cl 5, 75 Duro

1шт.

10

5185052

90 ELBOW,13/16"-16 x M18 x 1.5

Incl 11, 12

2шт.

11

5185511

O-RING,1.78mm Thk x 12.42mm ID, 85 Duro

1шт.

12

14437985

O-RING,15.3mm ID x 2.4mm

1шт.

13

87519175

HOSE,9.5mm ID x 800mm L, SAE 100R16

Cylinder

2шт.

14

87722392

HOSE,13mm ID x 267mm L, SAE 100R3

Lube Brake

1шт.

15

11903011

PLUG,M10 x 1 x 11, Cl5.8

1шт.

16

87316678

SEALING WASHER,10mm ID x 16mm OD x 2.3mm Thk

Self Centering

1шт.

17

87722406

HYD CONNECTOR

Incl 18, 19

1шт.

18

87315465

HYD CONNECTOR,13/16"-16 ORFS x 13/16"-16 ORFS x M16 x 1.5 ORB

Tee Run

1шт.

19

14606170

SLOTTED PIN

Spring

1шт.

20

87722393

PIPE

Left Brake Lube

1шт.

21

86579675

HYD CONNECTOR,13/16"-16 ORFS x M16 x 1.5 ORB

Incl 6, 22

1шт.

22

86598100

O-RING,2.2mm Thk x 13.3mm ID, Cl 6, 90 Duro

1шт.

Выбрано товаров: 22