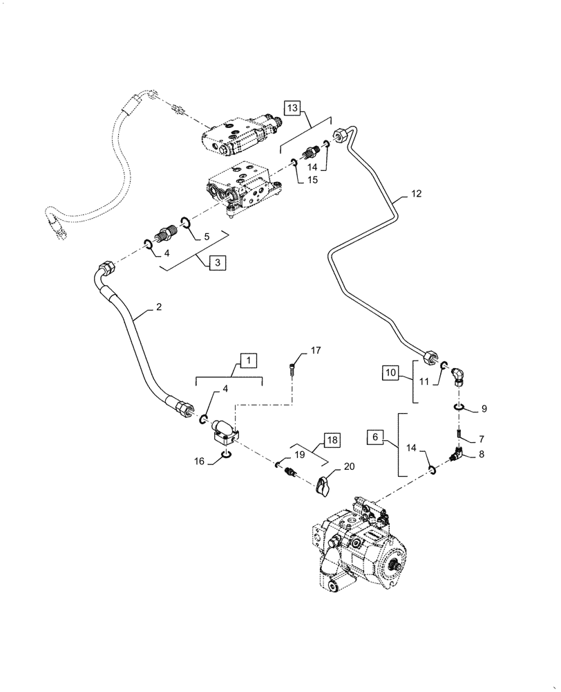
Запчасти Case IH PUMA1654 (35.100.AR[04]) - LIFTER LINES - LIFTER CYLINDERS PIPES AND REMOTE CONTROL VALVES DRAIN (35) - HYDRAULIC SYSTEMS

Схема запчастей Case IH PUMA1654 - (35.100.AR[04]) - LIFTER LINES - LIFTER CYLINDERS PIPES AND REMOTE CONTROL VALVES DRAIN (35) - HYDRAULIC SYSTEMS
5
7
14
14
4
1
17
19
4
13
11
16
6
2
20
9
10
15
18
12
3
8
FIT
1:1
100%

Артикул

Название

Примечание

Количество

1

47130523

FLANGE

Incl 4, 16

1шт.

2

87312959

FLEXIBLE HOSE,16mm ID x 540mm L, SAE 100R16

Hydraulic Delivery Pump

1шт.

3

5197215

HYD CONNECTOR,1"3/16-12 ORFS x M27 x 2 ORB

Incl 4, 5

1шт.

4

5185513

O-RING,1.78mm Thk x 18.77mm ID, 85 Duro

2шт.

5

14438185

O-RING,24mm ID x 3mm

1шт.

6

47126659

ELBOW,90 Deg, 9/16-18 ORFS x 7/16-20 ORB

Incl 7- 9

1шт.

7

47126655

FILTER STRAINER

1шт.

8

47126658

90 ELBOW,9/16"-18 ORFS x 7/16"-20

Incl 9, 14

1шт.

9

5185507

O-RING,8.92mm ID x 1.83mm Width

1шт.

10

84989411

ELBOW,90 Degree, 9/16"-18 ORFS x 9/16"-18 Fem Sw

Incl 11

1шт.

11

9825770

O-RING,0.07" Thk x 0.301" ID, -11, Cl 6, 90 Duro

1шт.

12

87660996

PIPE

Assy Load Sensing Pipe for Pump

1шт.

13

5185045

HYD CONNECTOR

Incl 14, 15

1шт.

14

5185509

O-RING,1.78mm Thk x 7.66mm ID, 85 Duro

2шт.

15

14437685

O-RING,9.30mm ID x 2.40mm

1шт.

16

14463781

O-RING,0.139" Thk x 1.296" ID, -219, Cl 7, 75 Duro

2шт.

17

14420321

HEX SOC SCREW,M10 x 35mm, Cl 8.8

4шт.

18

5185423

COUPLING

Quick Male, Incl 19

1шт.

19

47725668

O-RING,2.2mm Thk x 11.3mm ID, Cl 6

1шт.

20

5185424

DUST CAP,11.5mm ID x 81.5 L, Black

Plug for Quick Coupling

1шт.

Выбрано товаров: 20