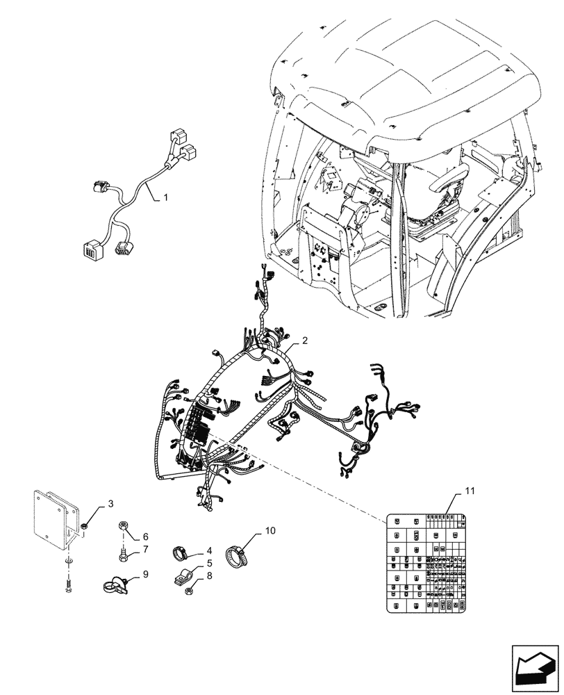
Запчасти Case IH PUMA1654 (55.510.AF[03]) - CAB HARNESS WIRE (55) - ELECTRICAL SYSTEMS

Схема запчастей Case IH PUMA1654 - (55.510.AF[03]) - CAB HARNESS WIRE (55) - ELECTRICAL SYSTEMS
4
5
2
9
10
8
7
3
6
11
1
FIT
1:1
100%

Артикул

Название

Примечание

Количество

1

84195894

WIRE HARNESS

Assy

1шт.

2

47752062

WIRE HARNESS

Cab

1шт.

3

16100811

NUT,Hex, M8, 6.80mm, Cl 8, ZND

1шт.

4

82001040

CABLE TIE,.19" x 11.5"

4шт.

5

10450990

CLAMP,26mm, Coat, 9mm Bolt Hole, P Type

1шт.

6

83958007

NUT,M8, G8

1шт.

7

10978021

BOLT,Hex, M5 x 20mm, Cl 8.8, Full Thd

2шт.

8

15896411

NUT,Hex, M5, 4.70mm High, Cl 8

2шт.

9

82033028

CABLE TIE,170mm L

1шт.

10

82013031

CABLE TIE,193mm L

Connector Wire

3шт.

11

84200081

DECAL

Fuse/Relay Box

1шт.

Выбрано товаров: 11