Запчасти Case IH PUMA1804 (10.102.AP[02]) - CRANKCASE COVERS (10) - ENGINE

Схема запчастей Case IH PUMA1804 - (10.102.AP[02]) - CRANKCASE COVERS (10) - ENGINE
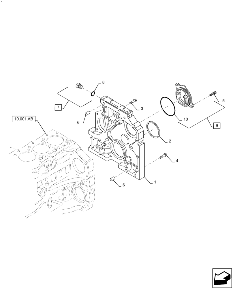
10.001.ab
6
3
2
5
1
7
8
10
6
9
4
FIT
1:1
100%

Артикул

Название

Примечание

Количество

1

2855172

HOUSING

1шт.

2

84575645

OIL SEAL,130mm ID x 155mm OD x 16mm Thk

1шт.

3

4899145

BOLT,Flng, M12 x 1.75 x 100mm

2шт.

4

4899385

FLANGE BOLT,Hex, M16 x 1.5 x 80mm, Cl 8.8

1шт.

4

4891250

BOLT,Flng, M12 x 1.75 x 78mm, Cl 10.9

15шт.

5

4895586

SCREW,Hex, Flg Hd, M8 x 16

2шт.

6

4894532

DOWEL,M18 x 10 L

2шт.

7

4895392

HEX SOCKET PLUG,M18 x 1.5

1шт.

8

4895393

O-RING,2.2mm Thk x 15.3mm ID

1шт.

9

2854809

COVER

1шт.

10

2853695

O-RING

1шт.

Выбрано товаров: 11